|
|
|
85325-06Cilindros eléctricos de tamaño 60, servoactuadores con IO-Link |
Volver |
|
Descripción del artículo/Imágenes del producto |
|
|
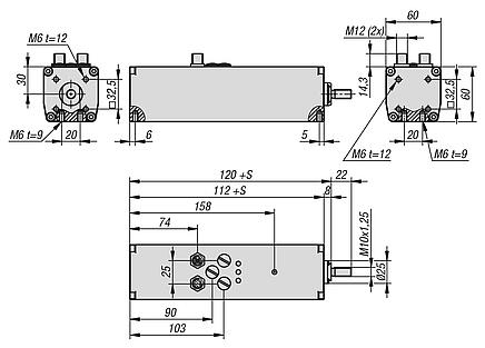
DescripciónDescripción del producto:El cilindro eléctrico es la solución compacta y potente para movimientos lineales precisos en su máquina.
El cilindro eléctrico es un accionamiento de husillo con IO-Link. La innovadora tecnología "todo en uno" integra un servomotor, un servocontrolador y un husillo de bolas en un diseño compacto. Los valores nominales en tiempo real se emiten a través de la interfaz de comunicación IO-Link. El cilindro eléctrico es compatible con los sistemas existentes y no requiere espacio en el armario eléctrico. Los movimientos sencillos de 2 puntos pueden controlarse mediante una señal digital, mientras que los potenciómetros permiten ajustar individualmente la fuerza y la velocidad directamente en el accionamiento.Material:Carcasa, tapa final: aluminio, anodizado incoloro. Tubo de empuje: aluminio, anodizado duro. Juntas: PUR, EPDM, NBR. Pieza de montaje roscada: acero inoxidable. Tornillos: acero cincado. Husillo: acero templado y revenido. Tuerca del husillo: acero para rodamientos. Cubiertas de los botones giratorios: acero inoxidable. Racores de lubricación: acero cincado. Racores roscados de inserción: cinc niquelado.Indicación:El cilindro eléctrico sirve de accionamiento electromecánico del husillo para los movimientos lineales. Sus componentes principales son el servomotor síncrono, el accionamiento de husillo y la electrónica integrada. Todos los componentes se encuentran en la carcasa. La velocidad de extensión y retracción, así como la limitación de la fuerza, se ajustan de forma continua mediante mandos giratorios directamente en la carcasa o los valores nominales se especifican de forma variable y en tiempo real a través de la interfaz IO-Link. Las velocidades, aceleraciones y otros parámetros pueden modificarse, lo que permite realizar tareas de posicionamiento como en las aplicaciones complejas de servosistemas. También es posible el control mediante señales digitales sencillas, como las utilizadas para controlar un simple cilindro neumático.
Las dimensiones básicas se basan en la norma ISO 15552. Las dimensiones de las conexiones y los accesorios corresponden a la norma ISO 15552.Datos técnicos:Tipo de husillo: recirculación de bolas. Guía lineal integrada: guía de carril de perfil de 15 mm con carro de bolas. Tipo de motor: servomotor síncrono. Codificador de posición del rotor: absoluto, una vuelta, 12 bits. Vástago de pistón con protección contra torsión: guía deslizante (sin par externo). Longitud máxima del cable: 20 metros. Número de entradas de señales digitales: 3 (extender, retraer, programar). Número de salidas de señales digitales: 3 (extendido, replegado, listo). Propiedades de la entrada de señal: aislada galvánicamente de la unidad de potencia. No están aislados galvánicamente entre sí. Lógica de conmutación de salidas: push pull. Lógica de conmutación de entradas: conmutación positiva. Referenciación: Tope externo / manual a través de IO-Link.
Peso con carrera de 100 mm: 1,6 kg. Peso adicional por carrera de 10 mm: 0,45 kg. Masa móvil adicional / carrera de 10 mm: 0,00585 kg.Aplicación:Con una alimentación de 48 V, debe comprobarse para cada aplicación si se necesita chopper de frenado. Durante el funcionamiento con generador (cuadrantes 2 y 4) pueden producirse sobretensiones que deben limitarse con un chopper de frenado.Rango de temperatura:Temperatura de almacenamiento: -20 °C a +60 °C. Temperatura de trabajo: 0 °C a +40 °C.Características especiales: DescargarAquí figura información recopilada en formato PDF:
¿Está buscando datos CAD? Los encontrará directamente en la tabla de productos.
|
Selección/filtro de artículos |
|
Referencia | Rango de funcionamiento de la señal de entrada VDC | Posición de montaje | Carrera S | Humedad del aire en uso (%) | CAD | Acc. | Precio | Pedir |
|---|
| 85325-06-0600511X0100 | 24 | beliebig | 100 | 0-90 |  | | 51,200.10 MXN | | | 85325-06-0600511X0150 | 24 | beliebig | 150 | 0-90 |  | | 52,253.31 MXN | | | 85325-06-0600511X0200 | 24 | beliebig | 200 | 0-90 |  | | 52,780.06 MXN | | | 85325-06-0600511X0300 | 24 | beliebig | 300 | 0-90 |  | | 57,344.11 MXN | | | 85325-06-0601011X0100 | 24 | beliebig | 100 | 0-90 |  | | 51,200.10 MXN | | | 85325-06-0601011X0150 | 24 | beliebig | 150 | 0-90 |  | | 52,253.31 MXN | | | 85325-06-0601011X0200 | 24 | beliebig | 200 | 0-90 |  | | 52,780.06 MXN | | | 85325-06-0601011X0300 | 24 | beliebig | 300 | 0-90 |  | | 57,344.11 MXN | |
Referencia | Velocidad máx. funcionamiento a 24 V mm/s | Velocidad máx. funcionamiento a 48 V mm/s | Corriente máx. de salidas de señal digital mA
| CAD | Acc. | Precio | Pedir |
|---|
| 85325-06-0600511X0100 | 150 | 300 | 100 / salida |  | | 51,200.10 MXN | | | 85325-06-0600511X0150 | 150 | 300 | 100 / salida |  | | 52,253.31 MXN | | | 85325-06-0600511X0200 | 150 | 300 | 100 / salida |  | | 52,780.06 MXN | | | 85325-06-0600511X0300 | 150 | 300 | 100 / salida |  | | 57,344.11 MXN | | | 85325-06-0601011X0100 | 300 | 600 | 100 / salida |  | | 51,200.10 MXN | | | 85325-06-0601011X0150 | 300 | 600 | 100 / salida |  | | 52,253.31 MXN | | | 85325-06-0601011X0200 | 300 | 600 | 100 / salida |  | | 52,780.06 MXN | | | 85325-06-0601011X0300 | 300 | 600 | 100 / salida |  | | 57,344.11 MXN | |
Referencia | Consumo de energía máx. (funcionamiento continuo) A | Consumo de corriente máx. (pico) A | Consumo de corriente máx. lógico mA | Aceleración máx. m/seg | CAD | Acc. | Precio | Pedir |
|---|
| 85325-06-0600511X0100 | 3,5 | 5 | 50 | 10 |  | | 51,200.10 MXN | | | 85325-06-0600511X0150 | 3,5 | 5 | 50 | 10 |  | | 52,253.31 MXN | | | 85325-06-0600511X0200 | 3,5 | 5 | 50 | 10 |  | | 52,780.06 MXN | | | 85325-06-0600511X0300 | 3,5 | 5 | 50 | 10 |  | | 57,344.11 MXN | | | 85325-06-0601011X0100 | 3,5 | 5 | 50 | 20 |  | | 51,200.10 MXN | | | 85325-06-0601011X0150 | 3,5 | 5 | 50 | 20 |  | | 52,253.31 MXN | | | 85325-06-0601011X0200 | 3,5 | 5 | 50 | 20 |  | | 52,780.06 MXN | | | 85325-06-0601011X0300 | 3,5 | 5 | 50 | 20 |  | | 57,344.11 MXN | |
Referencia | Fuerza de avance máx. (funcionamiento continuo) N | Precisión de repetición en ± mm | Fuerza de avance máx. (pico) N | Tensión nominal del circuito de potencia VDC | CAD | Acc. | Precio | Pedir |
|---|
| 85325-06-0600511X0100 | 400 | 0,02 | 800 | 24-48 |  | | 51,200.10 MXN | | | 85325-06-0600511X0150 | 400 | 0,02 | 800 | 24-48 |  | | 52,253.31 MXN | | | 85325-06-0600511X0200 | 400 | 0,02 | 800 | 24-48 |  | | 52,780.06 MXN | | | 85325-06-0600511X0300 | 400 | 0,02 | 800 | 24-48 |  | | 57,344.11 MXN | | | 85325-06-0601011X0100 | 200 | 0,02 | 400 | 24-48 |  | | 51,200.10 MXN | | | 85325-06-0601011X0150 | 200 | 0,02 | 400 | 24-48 |  | | 52,253.31 MXN | | | 85325-06-0601011X0200 | 200 | 0,02 | 400 | 24-48 |  | | 52,780.06 MXN | | | 85325-06-0601011X0300 | 200 | 0,02 | 400 | 24-48 |  | | 57,344.11 MXN | |
Referencia | Precisión de posicionamiento en ± mm | Oscilaciones de tensión admisibles | Clase de protección | Elevación del husillo en mm | Indicación de estado | CAD | Acc. | Precio | Pedir |
|---|
| 85325-06-0600511X0100 | ±0,1 | ±15% | IP65 | 5 | 3x LED |  | | 51,200.10 MXN | | | 85325-06-0600511X0150 | ±0,1 | ±15% | IP65 | 5 | 3x LED |  | | 52,253.31 MXN | | | 85325-06-0600511X0200 | ±0,1 | ±15% | IP65 | 5 | 3x LED |  | | 52,780.06 MXN | | | 85325-06-0600511X0300 | ±0,1 | ±15% | IP65 | 5 | 3x LED |  | | 57,344.11 MXN | | | 85325-06-0601011X0100 | ±0,1 | ±15% | IP65 | 10 | 3x LED |  | | 51,200.10 MXN | | | 85325-06-0601011X0150 | ±0,1 | ±15% | IP65 | 10 | 3x LED |  | | 52,253.31 MXN | | | 85325-06-0601011X0200 | ±0,1 | ±15% | IP65 | 10 | 3x LED |  | | 52,780.06 MXN | | | 85325-06-0601011X0300 | ±0,1 | ±15% | IP65 | 10 | 3x LED |  | | 57,344.11 MXN | |
Otros artículos de esta categoría |
|
| Pedido rápido / Comprobar disponibilidadPedir el artículo directamente o comprobar la disponibilidad.Mostrar |
|