norelem emplea cookies con vistas a una configuración óptima, así como una mejora continua de la página Web. El hecho de continuar usando esta página Web significa que está aceptando al mismo tiempo la utilización de cookies. En nuestra Declaración de protección de datos encontrará más información sobre la temática de las cookies.Aceptación
Torres de sujeción de fundición gris de 6 caras con superficies de sujeción mecanizadas previamente
01855

Torres de sujeción de fundición gris de 6 caras con superficies...

Volver

Descripción del artículo/Imágenes del producto

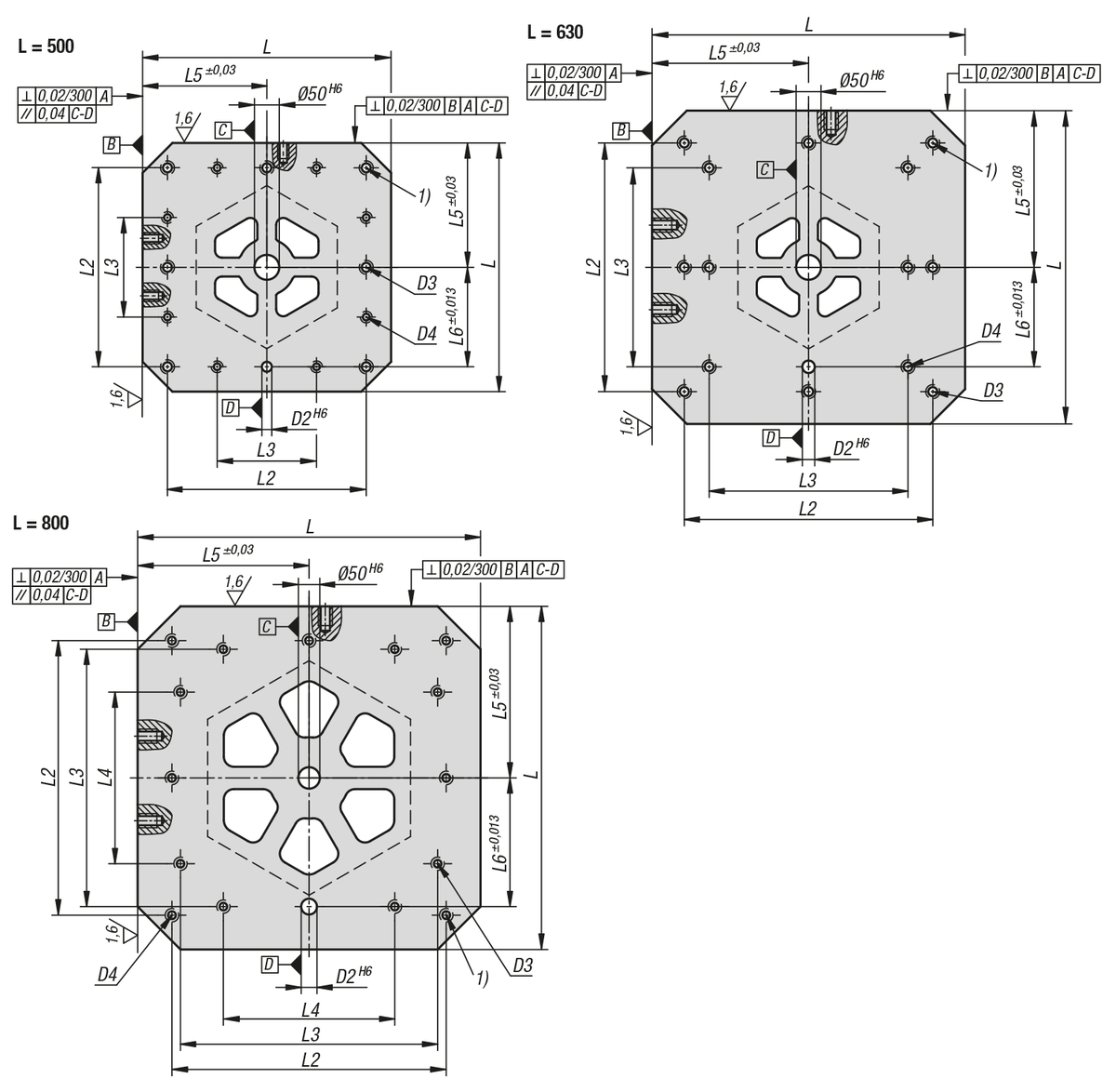
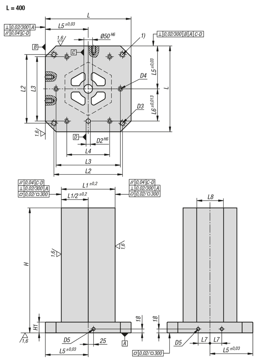
DescripciónMaterial:GJL 300.Versión:Superficies de apoyo y superficies de sujeción con mecanizado de precisión.
Las superficies de sujeción se han mecanizado previamente con una medida excedente de 1mm.
Indicación:Las torres de sujeción con superficies de sujeción mecanizadas previamente ofrecen la posibilidad rápida y rentable de practicar perforaciones de retícula específicas o perforaciones individuales en los cuerpos base. El pie está acabado para el montaje en la mesa de máquinas. Las superficies de sujeción pueden ser fabricadas sobre la medida final por el cliente. Las torres de sujeción se adaptan a mesas de máquinas para máquinas-herramienta según DIN 55201 y JIS6337-1980.
Los bulones de posicionamiento para fijar las paletas en las mesas de máquinas según DIN 55201 deben solicitarse por separado.
El suministro incluye tornillos con ojo para el transporte.
Otras dimensiones a petición.
A petición:Otras dimensiones.Indicación sobre el dibujo:
1) Perforación de pasada para tornillo de cabeza cilíndrica DIN 912 (D3/D4)
Características especiales:
RoHS

Planos

Torres de sujeción de fundición gris de 6 caras con superficies de sujeción mecanizadas previamente
Torres de sujeción de fundición gris de 6 caras con superficies de sujeción mecanizadas previamente

Selección/filtro de artículos

ReferenciaL

HH1D2D3D4D5L1L2L3L4L5L6L7L8CADAcc.PrecioPedir
01855-100400504005005020M16M12M1625132030020020015055144,6 71,939.00 MXN
01855-100400654006505020M16M12M1625132030020020015055144,6 84,490.70 MXN
01855-100500605006005020M16M12M16301400200-25020075173,6 102,309.90 MXN
01855-100500755007505020M16M12M16301400200-25020075173,6 114,861.60 MXN
01855-100630706307005025M16M16M16351500400-315200100202,6 137,948.30 MXN
01855-100630856308505025M16M16M16351500400-315200100202,6 186,770.50 MXN
01855-100800808008005025M16M16M16501640600400400300135289,6 211,843.80 MXN
01855-1008010080010005025M16M16M16501640600400400300135289,6 248,144.40 MXN
Mi norelemCorreo electrónicoContraseña
Cesta de la compra
Número de artículos: 0
Total: 0.00  MXN
mostrar
Pedido rápido / Comprobar disponibilidadPedir el artículo directamente o comprobar la disponibilidad.Mostrar
México
Mapa web Imprimir Recomendar Top
Copyright © 2025 norelem S.de RL. de. C.V. Todos los derechos reservados. Teléfono: +52 444 454 36 – 50