norelem emplea cookies con vistas a una configuración óptima, así como una mejora continua de la página Web. El hecho de continuar usando esta página Web significa que está aceptando al mismo tiempo la utilización de cookies. En nuestra Declaración de protección de datos encontrará más información sobre la temática de las cookies.Aceptación

Descripción del artículo/Imágenes del producto

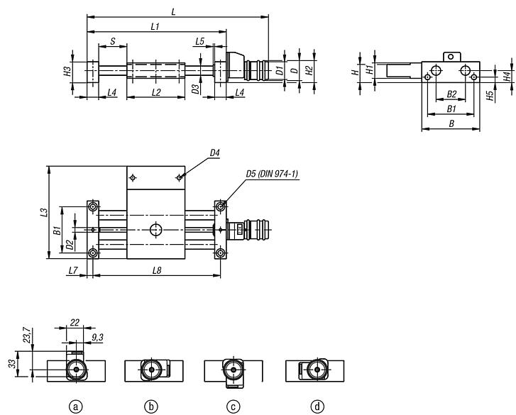
DescripciónMaterial:Soporte de rodamiento y carro de aleación de aluminio, anodizado.
Columnas guía de acero inoxidable, pulido.
Husillo de acero inoxidable, rosca laminada.
Guía de cojinete de deslizamiento, sin mantenimiento.
Indicador de posicionamiento de plástico.
Versión:Juego radial de la guía menor de 0,02 mm. Sin juego axial. Husillo autobloqueante con sujeción adicional.Indicación:Gracias a las guías prácticamente sin juego y al husillo completamente sin juego, no es necesario aflojar ni apretar el husillo para realizar el ajuste.
Indicador de posicionamiento digital con 0,1 mm de precisión de indicación, numeración ascendente al girar a la derecha. El valor mostrado por el indicador de posicionamiento puede ajustarse sin necesidad de herramientas girando el anillo de arrastre. La posición de montaje del indicador de posicionamiento puede fijarse en 4 posiciones por medio de un tornillo.
La mesa en cruz se puede combinar fácilmente con mesas de posicionamiento, mesas de elevación y distintos accesorios en su tamaño respectivo gracias al diseño modular.
Indicación sobre el dibujo:
Posición de montaje del indicador de posicionamiento:
a) Arriba (estándar)
b) A la derecha
c) Abajo
d) A la izquierda
Características especiales:
RoHS
DescargarAquí figura información recopilada en formato PDF:

¿Está buscando datos CAD? Los encontrará directamente en la tabla de productos.
 Ficha de datos 21136_B Mesas en cruz largas con indicador de posicionamiento, Forma B 288 kB

Planos

Mesas en cruz largas con indicador de posicionamiento, Forma B
Mesas en cruz largas con indicador de posicionamiento, Forma B

Selección/filtro de artículos

ReferenciaBB1B2C
(Carrera)
D

D1D2D3D4D5HH1H2H3H4H5LL1L2L3L4L5L7L8F1
N
F2
N
F3
N
Mx
Nm
My
Nm
Mz
Nm
CADAcc.PrecioPedir
21136-208463621-2623M6x18M4418142723146174,5120467512261082002002003,63,63,6 12,090.57 MXN
21136-212756038-2623M6x112M6623,520292715,57235180751201527,5165300300300181818 16,421.66 MXN
Mi norelemCorreo electrónicoContraseña
Cesta de la compra
Número de artículos: 0
Total: 0.00  MXN
mostrar
Pedido rápido / Comprobar disponibilidadPedir el artículo directamente o comprobar la disponibilidad.Mostrar
Ángulo de giro
Vástago articulado sobre rótula con 30° de inclinación y escuadra
México
Mapa web Imprimir Recomendar Top
Copyright © 2025 norelem S.de RL. de. C.V. Todos los derechos reservados. Teléfono: +52 444 454 36 – 50