|
|
|
24071_ASoportes rectos de aluminio, forma A |
Volver |
|
Descripción del artículo/Imágenes del producto |
|
|
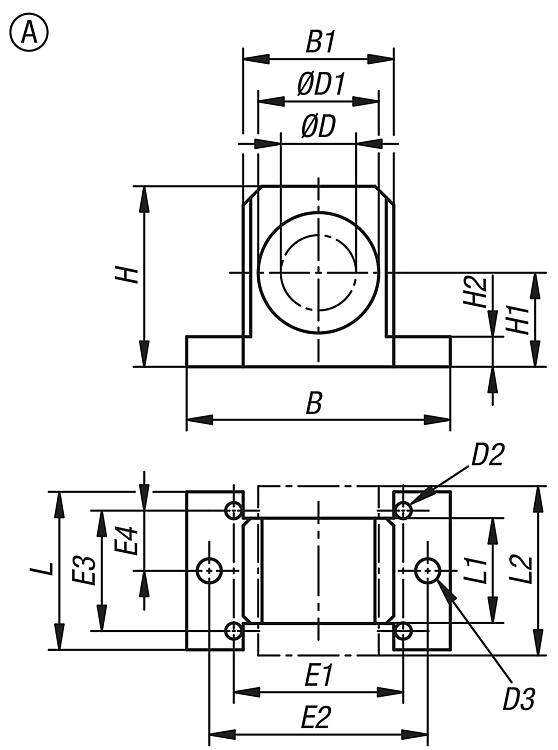
DescripciónDescripción del producto:Los soportes rectos de perfil de aluminio extruido están equipados con seis perforaciones de fijación y cumplen todos los requisitos que se exigen a una carcasa.Material:Aluminio.Indicación:Todos los rodamientos lineales de bolas con alturas de montaje estándar pueden combinarse con los soportes rectos.Accesorios:Cojinetes de deslizamiento lineal 21495-01. Rodamientos lineales de bolas con jaula de plástico 21500. Rodamientos lineales de bolas con jaula de acero 21505. Rodamientos lineales de bolas de acero inoxidable 21505-01. Rodamientos lineales de bolas con compensación de error angular 21510. Rodamientos lineales de bolas con compensación de error angular, elevada capacidad de carga 21515.Características especiales: DescargarAquí figura información recopilada en formato PDF:
¿Está buscando datos CAD? Los encontrará directamente en la tabla de productos.
|
Selección/filtro de artículos |
|
| Referencia | Versión 1 | Forma | B | B1 | D | D1 | D2 | D3 | E1 | E2 | E3 | E4 | H | H1 | H2 | L | L1 | L2 | CAD | Acc. | Precio | Pedir |
|---|
| 24071-012 | Cerrado | A | 52 | 30 | 12 | 22 | 4,3 | 5,3 | 36 | 42 | 23 | 11,5 | 35 | 18 | 6 | 32 | 20 | 32 |  | | 750.40 MXN | |
Otros artículos de esta categoría |
|
| Pedido rápido / Comprobar disponibilidadPedir el artículo directamente o comprobar la disponibilidad.Mostrar |
|