norelem emplea cookies con vistas a una configuración óptima, así como una mejora continua de la página Web. El hecho de continuar usando esta página Web significa que está aceptando al mismo tiempo la utilización de cookies. En nuestra Declaración de protección de datos encontrará más información sobre la temática de las cookies.Aceptación
Cabezal de soporte de conector de tubos de plástico para tubos redondos
29352-02

Cabezal de soporte de conector de tubos de plástico para tubos...

Volver

Descripción del artículo/Imágenes del producto

DescripciónMaterial:Termoplástico.
Tornillos y tuercas de acero inoxidable.
Versión:Negro.
Tornillos y tuercas con acabado natural.
Indicación:El tubo redondo se sujeta por apriete con un tornillo.

El conector de la tubería se fija debajo del sistema transportador.

Tubos de acero adecuados según DIN EN 10220.

Forma A: Conector para tubos con orificio.
Forma B: Conector para tubos con orificio alargado.
Características especiales:
RoHS
DescargarAquí figura información recopilada en formato PDF:

¿Está buscando datos CAD? Los encontrará directamente en la tabla de productos.
 Ficha de datos 29352-02 Cabezal de soporte de conector de tubos de plástico para tubos redondos 206 kB
 Nota técnica Componentes para sistemas de transporte y elementos de soporte 657 kB

Planos (vista completa)

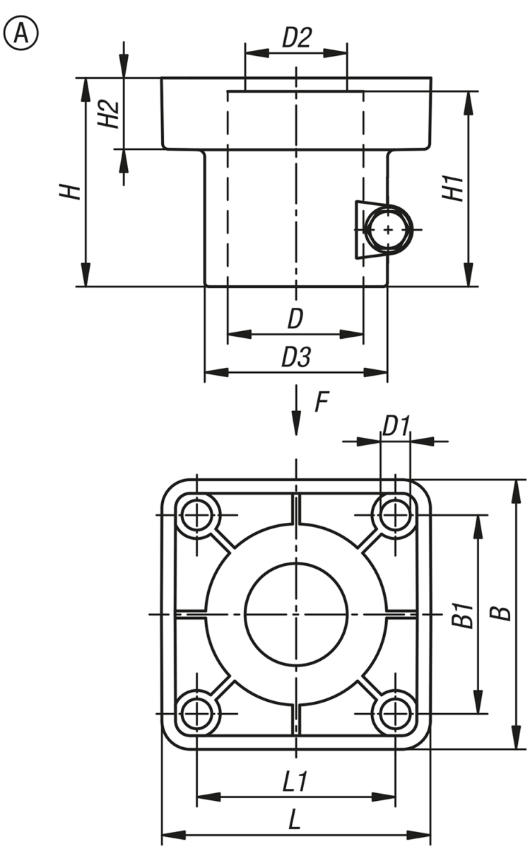
Cabezal de soporte de conector de tubos de plástico para tubos redondos

Cabezal de soporte de conector de tubos de plástico para tubos redondos, forma A

Más información

Planos

Cabezal de soporte de conector de tubos de plástico para tubos redondos, forma A

Selección/filtro de artículos

ReferenciaFormaB

B1DD1D2D3HH1H2LL1F
máx. kN
CADAcc.PrecioPedir
29352-02-048A957048,310,535657569,52595701,5 270.30 MXN

Cabezal de soporte de conector de tubos de plástico para tubos redondos, forma B

Más información

Planos

Cabezal de soporte de conector de tubos de plástico para tubos redondos, forma B

Selección/filtro de artículos

ReferenciaFormaB

B1B2DD2D3E1E2HH1H2LL1L2F
máx. kN
CADAcc.PrecioPedir
29352-02-148B85655548,335759201009025130115952 349.76 MXN
29352-02-160B85655560,335759201009025130115952 349.76 MXN
Mi norelemCorreo electrónicoContraseña
Cesta de la compra
Número de artículos: 0
Total: 0.00  MXN
mostrar
Pedido rápido / Comprobar disponibilidadPedir el artículo directamente o comprobar la disponibilidad.Mostrar
México
Mapa web Imprimir Recomendar Top
Copyright © 2025 norelem S.de RL. de. C.V. Todos los derechos reservados. Teléfono: +52 444 454 36 – 50