norelem emplea cookies con vistas a una configuración óptima, así como una mejora continua de la página Web. El hecho de continuar usando esta página Web significa que está aceptando al mismo tiempo la utilización de cookies. En nuestra Declaración de protección de datos encontrará más información sobre la temática de las cookies.Aceptación
Conectores de tubos, cabezal de soporte lateral de plástico para tubos redondos
29352

Conectores de tubos, cabezal de soporte lateral de plástico para...

Volver

Descripción del artículo/Imágenes del producto

DescripciónMaterial:Termoplástico.
Tornillos y tuercas de acero inoxidable.
Versión:Negro.
Tornillos y tuercas con acabado natural.
Indicación:El tubo redondo se sujeta por apriete con un tornillo.

El conector de tubos se fija al lateral del sistema transportador.

Tubos de acero adecuados según DIN EN 10220.
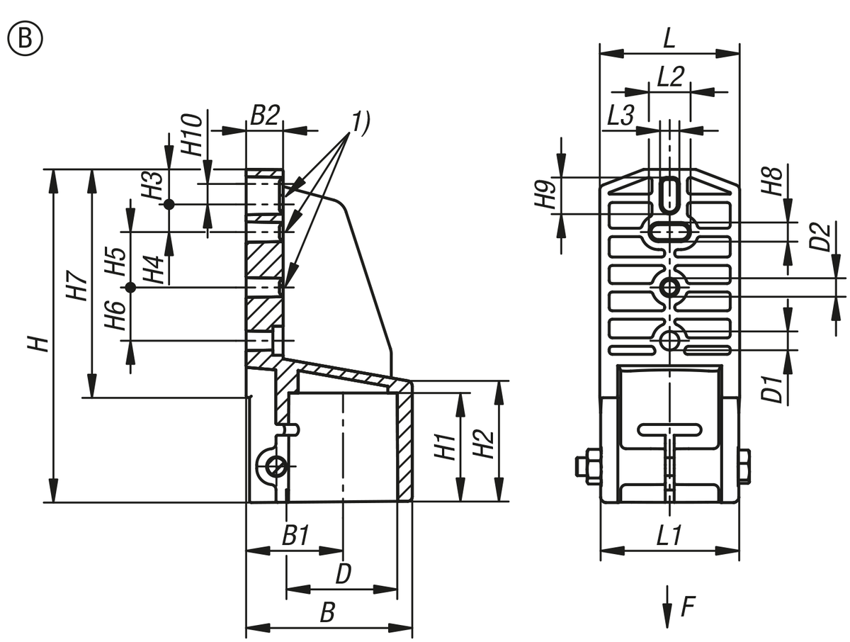
Indicación sobre el dibujo:
1) Para utilizar este orificio, hay que romper la fina membrana.
DescargarAquí figura información recopilada en formato PDF:

¿Está buscando datos CAD? Los encontrará directamente en la tabla de productos.
 Ficha de datos 29352 Conectores de tubos, cabezal de soporte lateral de plástico para tubos redondos 346 kB
 Nota técnica Componentes para sistemas de transporte y elementos de soporte 657 kB

Planos (vista completa)

Conectores de tubos, cabezal de soporte lateral de plástico para tubos redondos

Cabezal de soporte lateral de plástico para conector de tubos redondos, forma A

Más información

Planos

Cabezal de soporte lateral de plástico para conector de tubos redondos, forma A

Selección/filtro de artículos

ReferenciaFormaB

B1B2DD1D2D3HH1H2H3H4H5H6H7H8H9LL1L2L3F
máx. kN
CADAcc.PrecioPedir
29352-048A8047,52048,310,510,565174606711,51430309610,510,565772415,53,5 322.07 MXN

Cabezal de soporte para lateral de plástico para conector de tubos redondos, forma B

Más información

Planos

Cabezal de soporte para lateral de plástico para conector de tubos redondos, forma B

Selección/filtro de artículos

ReferenciaFormaB

B1B2DD1D2HH1H2H3H4H5H6H7H8H9H10LL1L2L3F
máx. kN
CADAcc.PrecioPedir
29352-160B91,55420,560,310,510,5185606619163030126,510,5209,578772410,54 342.24 MXN

Cabezal de soporte lateral de plástico para conector de tubos redondos, forma C

Más información

Planos

Cabezal de soporte lateral de plástico para conector de tubos redondos, forma C

Selección/filtro de artículos

ReferenciaFormaB

B1B2DD3E1E2HH1H2H3H4H7LL1L2F
máx. kN
CADAcc.PrecioPedir
29352-248C70401948,3628,518,51146932695510511898843,5 357.59 MXN
Mi norelemCorreo electrónicoContraseña
Cesta de la compra
Número de artículos: 0
Total: 0.00  MXN
mostrar
Pedido rápido / Comprobar disponibilidadPedir el artículo directamente o comprobar la disponibilidad.Mostrar
México
Mapa web Imprimir Recomendar Top
Copyright © 2025 norelem S.de RL. de. C.V. Todos los derechos reservados. Teléfono: +52 444 454 36 – 50