norelem emplea cookies con vistas a una configuración óptima, así como una mejora continua de la página Web. El hecho de continuar usando esta página Web significa que está aceptando al mismo tiempo la utilización de cookies. En nuestra Declaración de protección de datos encontrará más información sobre la temática de las cookies.Aceptación

Descripción del artículo/Imágenes del producto

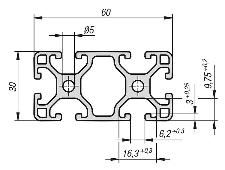
DescripciónMaterial:Aluminio EN AW-6063 T66 (AlMgSi0,5 F25).Versión:Endurecido en caliente, colores naturales anodizados.Indicación:Perfil de aluminio en versión ligera para construcciones de peso optimizado.A petición:Cortes a inglete 15°, 30° y 45°.
DescargarAquí figura información recopilada en formato PDF:

¿Está buscando datos CAD? Los encontrará directamente en la tabla de productos.
 Ficha de datos 10025 Perfiles de aluminio 30x60 ligeros Tipo I 267 kB

Planos

Perfiles de aluminio 30x60 ligeros Tipo I

Selección/filtro de artículos

ReferenciaAncho
de
ranura
PerfilLIx
cm⁴
Iy
cm⁴
Wx
cm³
Wy
cm³
Superficie de perfil
cm²
F1 máx.
kN
Peso
aprox. kg/m
CADAcc.PrecioPedir
10025-063060X1000630x6010005,5421,223,697,076,130,51,65 A petición
10025-063060X2000630x6020005,5421,223,697,076,130,51,51 A petición
10025-063060X3000630x6030005,5421,223,697,076,130,51,51 A petición
10025-063060X4000630x6040005,5421,223,697,076,130,51,51 A petición
10025-063060X5000630x6050005,5421,223,697,076,130,51,51 A petición
10025-063060X6000630x6060005,5421,223,697,076,130,51,51 A petición

Indicaciones sobre este artículo

¿No aparece la longitud que desea?


Entonces, póngase en contacto con nuestro personal especializado.
La máxima longitud de suministro es de 6000 mm.

Haga su pedido ahora aquí.

Mi norelemCorreo electrónicoContraseña
Cesta de la compra
Número de artículos: 0
Total: 0.00  MXN
mostrar
Pedido rápido / Comprobar disponibilidadPedir el artículo directamente o comprobar la disponibilidad.Mostrar
México
Mapa web Imprimir Recomendar Top
Copyright © 2025 norelem S.de RL. de. C.V. Todos los derechos reservados. Teléfono: +52 444 454 36 – 50