norelem emplea cookies con vistas a una configuración óptima, así como una mejora continua de la página Web. El hecho de continuar usando esta página Web significa que está aceptando al mismo tiempo la utilización de cookies. En nuestra Declaración de protección de datos encontrará más información sobre la temática de las cookies.Aceptación
Placa de base para dispositivo de sujeción central
41104

Placa de base para dispositivo de sujeción central

Volver

Descripción del artículo/Imágenes del producto

Consultar/filtrar todos los artículos
DescripciónMaterial:Acero.Versión:Endurecido y pulido.Características especiales:
RoHS
DescargarAquí figura información recopilada en formato PDF:

¿Está buscando datos CAD? Los encontrará directamente en la tabla de productos.
 Ficha de datos 41104 Placa de base para dispositivo de sujeción central 322 kB

Planos (vista completa)

Placa de base para dispositivo de sujeción central
Placa de base para dispositivo de sujeción central

Placa de base para dispositivo de sujeción central, forma A

Más información

Planos

Placa de base para dispositivo de sujeción central, forma A

Selección/filtro de artículos

ReferenciaFormaAdecuado para

Peso
kg
CADAcc.PrecioPedir
41104-12175200Adispositivo de sujeción central 65, 80 y 1254.03 10,113.60 MXN

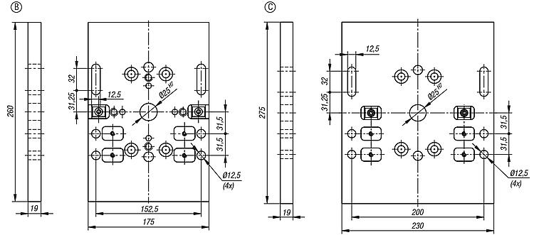
Placa de base para dispositivo de sujeción central, forma B

Más información

Planos

Placa de base para dispositivo de sujeción central, forma B

Selección/filtro de artículos

ReferenciaFormaAdecuado para

Peso
kg
CADAcc.PrecioPedir
41104-00175260Bdispositivo de sujeción central 65 y 806.3 17,939.60 MXN

Placa de base para dispositivo de sujeción central, forma C

Más información

Planos

Placa de base para dispositivo de sujeción central, forma C

Selección/filtro de artículos

ReferenciaFormaAdecuado para

Peso
kg
CADAcc.PrecioPedir
41104-00230275Cdispositivo de sujeción central 1257.5 18,451.30 MXN
Mi norelemCorreo electrónicoContraseña
Cesta de la compra
Número de artículos: 0
Total: 0.00  MXN
mostrar
Pedido rápido / Comprobar disponibilidadPedir el artículo directamente o comprobar la disponibilidad.Mostrar
México
Mapa web Imprimir Recomendar Top
Copyright © 2025 norelem S.de RL. de. C.V. Todos los derechos reservados. Teléfono: +52 444 454 36 – 50