norelem emplea cookies con vistas a una configuración óptima, así como una mejora continua de la página Web. El hecho de continuar usando esta página Web significa que está aceptando al mismo tiempo la utilización de cookies. En nuestra Declaración de protección de datos encontrará más información sobre la temática de las cookies.Aceptación
Perfiles en forma de T, procesados por todos los lados fundición gris y aluminio
01580

Perfiles en forma de T, procesados por todos los lados...

Volver

Descripción del artículo/Imágenes del producto

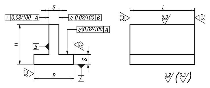
DescripciónMaterial:GJL 250 recocido o EN AW-7075.Indicación:La longitud L se trabaja mediante corte de sierra y se suministra siempre con medida excedente.A petición:Longitudes de 800 mm y 1000 mm en fundición gris.Indicación sobre el dibujo:
Superficies trabajadas: ±0,25 mm
Superficies en bruto: ±2 mm
Tolerancias de las longitudes:
≤200 mm: +3/+10
De 201 mm a 590 mm: +8/+15
≥600 mm: +20/+50
Características especiales:
RoHS
DescargarAquí figura información recopilada en formato PDF:

¿Está buscando datos CAD? Los encontrará directamente en la tabla de productos.
 Ficha de datos 01580 Perfiles en forma de T, procesados por todos los lados fundición gris y aluminio 184 kB

Planos

Perfiles en forma de T, procesados por todos los lados fundición gris y aluminio

Vista general de artículos (comprimida)

Selección/filtro de artículos
Referencia
fundición gris
Referencia
aluminio
L = longitudB

HSFiltro
01580-01X-300404010
01580-02X01580-202X150/300636312
01580-03X01580-203X300/600/800808016
01580-04X01580-204X300/600/100010010020
01580-05X01580-205X300/600/100012512520
01580-06X01580-206X300/60016016025
01580-07X-300/60020020032
Mi norelemCorreo electrónicoContraseña
Cesta de la compra
Número de artículos: 0
Total: 0.00  MXN
mostrar
Pedido rápido / Comprobar disponibilidadPedir el artículo directamente o comprobar la disponibilidad.Mostrar
México
Mapa web Imprimir Recomendar Top
Copyright © 2025 norelem S.de RL. de. C.V. Todos los derechos reservados. Teléfono: +52 444 454 36 – 50