norelem emplea cookies con vistas a una configuración óptima, así como una mejora continua de la página Web. El hecho de continuar usando esta página Web significa que está aceptando al mismo tiempo la utilización de cookies. En nuestra Declaración de protección de datos encontrará más información sobre la temática de las cookies.Aceptación

Descripción del artículo/Imágenes del producto

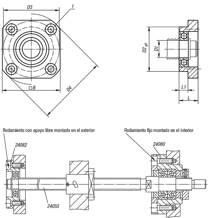
DescripciónMaterial:Carcasa de acero.Versión:Carcasa bruñida.Indicación:La unidad de rodamiento con apoyo libre es compatible con la unidad de rodamiento fijo 24080. Las unidades de rodamiento con apoyo libre están compuestas de una carcasa con rodamiento ranurado de bolas que se ajusta en sentido axial con respecto a la dilatación longitudinal del husillo.Indicación sobre el dibujo:
1) C para tornillo de cabeza cilíndrica ISO 4762
Características especiales:
RoHS
DescargarAquí figura información recopilada en formato PDF:

¿Está buscando datos CAD? Los encontrará directamente en la tabla de productos.
 Ficha de datos 24082 Unidades de rodamiento con apoyo libre con versión de brida 244 kB

Planos

Unidades de rodamiento con apoyo libre con versión de brida

Vista general de artículos (comprimida)

Selección/filtro de artículos
ReferenciaTamañoB

CD1D2D3D4LL1CADAcc.PrecioPedir
24082-0101035M38283543125 1,087.52 MXN
24082-0121242M410344252158 1,233.20 MXN
24082-0151552M515405063178 1,365.34 MXN
24082-0202068M620577085209 1,776.81 MXN
Mi norelemCorreo electrónicoContraseña
Cesta de la compra
Número de artículos: 0
Total: 0.00  MXN
mostrar
Pedido rápido / Comprobar disponibilidadPedir el artículo directamente o comprobar la disponibilidad.Mostrar
México
Mapa web Imprimir Recomendar Top
Copyright © 2025 norelem S.de RL. de. C.V. Todos los derechos reservados. Teléfono: +52 444 454 36 – 50