norelem emplea cookies con vistas a una configuración óptima, así como una mejora continua de la página Web. El hecho de continuar usando esta página Web significa que está aceptando al mismo tiempo la utilización de cookies. En nuestra Declaración de protección de datos encontrará más información sobre la temática de las cookies.Aceptación
Ruedas cónicas de plástico, relación de transmisión 1:1,5 inyectadas, dentado recto, ángulo de presión de 20°
22432

Ruedas cónicas de plástico, relación de transmisión 1:1,5...

Volver

Descripción del artículo/Imágenes del producto

DescripciónMaterial:Poliacetal (POM) o policetona (PK).Versión:Inyectado, dentado recto. Ángulo de presión de 20°. Ángulo axial = 90°.
Perforación a partir de módulo 1,5 mecanizada con arranque de virutas.
Poliacetal blanco.
Policetona de color marfil.
Indicación:Poliacetal: material estándar con dureza alta y bajo coeficiente de fricción.
Policetona: material con vida útil considerablemente más larga, mayor transmisión de potencia y mayor seguridad contra rotura de dientes debido a la extraordinaria resistencia a la abrasión y las excelentes propiedades tribológicas.

Utilizable bajo agua y otros medios.

Las ruedas dentadas inyectadas pueden presentar en el interior agujeros debidos a la fabricación. Pueden ser visibles en la perforación o en las ranuras. La función no se ve afectada por ello.

Las ruedas cónicas se suministran por piezas individuales. Para adquirir un par de ruedas cónicas, pida también la contrarrueda indicada.
Rango de temperatura:-40 °C a +140 °C (teniendo en cuenta la altura y duración de la demanda).Tener en cuenta:Los momentos de torsión especificados en las tablas de medidas se refieren únicamente al dentado, no se tienen en cuenta ni el diámetro del árbol ni el tamaño de la chaveta de ajuste, etc. Los cálculos de la capacidad de carga se basan en la capacidad de carga de los hoyuelos de los flancos de diente y de la tensión generada de la raíz del diente. La capacidad de carga de una rueda dentada depende de distintos factores, de modo que los valores indicados solo representan valores orientativos para agilizar la selección. Las indicaciones sobre los momentos de torsión se refieren a un diente. Dependiendo del diámetro de paso, de los pares de ruedas dentadas, etc., se establece la cobertura que es imprescindible para determinar el momento de torsión transmisible. En el caso más sencillo de dentado recto, en la práctica es habitual un grado de cobertura de 1,1 a 1,25. Para aumentar la cobertura, se utiliza un número grande de dientes con módulos pequeños. Una buena cobertura de perfil puede reducir daños, como por ejemplo la formación de hoyuelos.Características especiales:
RoHS
DescargarAquí figura información recopilada en formato PDF:

¿Está buscando datos CAD? Los encontrará directamente en la tabla de productos.
 Ficha de datos 22432 Ruedas cónicas de plástico, relación de transmisión 1:1,5 inyectadas, dentado recto, ángulo de presión de 20° 126 kB

Planos

Ruedas cónicas de plástico, relación de transmisión 1:1,5 inyectadas, dentado recto, ángulo de presión de 20°

Selección/filtro de artículos

ReferenciaMaterial
del cuerpo
de base
Relación de
transmisión
MóduloNúmero
de
dientes
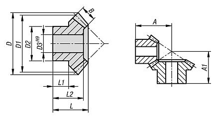
AA1BD

D1D2D3LL1L2Momento de torsión
máx.
Ncm
Contrarrueda
adecuada
CADAcc.PrecioPedir
22432-115115016poliacetal1:1,51,51630-8262420818,810,817,836,122432-115115024 62.61 MXN
22432-115115024poliacetal1:1,51,524-26,683736241019,511,31854,222432-115115016 93.62 MXN
22432-215115016policetona1:1,51,51630-8262420818,810,817,83822432-215115024 74.05 MXN
22432-215115024policetona1:1,51,524-26,683736241019,511,3185722432-215115016 111.97 MXN
Mi norelemCorreo electrónicoContraseña
Cesta de la compra
Número de artículos: 0
Total: 0.00  MXN
mostrar
Pedido rápido / Comprobar disponibilidadPedir el artículo directamente o comprobar la disponibilidad.Mostrar
México
Mapa web Imprimir Recomendar Top
Copyright © 2025 norelem S.de RL. de. C.V. Todos los derechos reservados. Teléfono: +52 444 454 36 – 50