norelem emplea cookies con vistas a una configuración óptima, así como una mejora continua de la página Web. El hecho de continuar usando esta página Web significa que está aceptando al mismo tiempo la utilización de cookies. En nuestra Declaración de protección de datos encontrará más información sobre la temática de las cookies.Aceptación

Descripción del artículo/Imágenes del producto

Consultar/filtrar todos los artículos
DescripciónMaterial:Carcasa de acero.
Núcleo magnético de SmCo.
Versión:Carcasa cincada.Indicación:Imán plano, sistema blindado. Los imanes planos con núcleo de SmCo tienen una fuerza de adherencia de tres a cinco veces mayor que los imanes planos de AlNiCo o de ferrita dura.Rango de temperatura:200 °C máx.Indicación sobre el dibujo:
1) Superficie de adherencia
DescargarAquí figura información recopilada en formato PDF:

¿Está buscando datos CAD? Los encontrará directamente en la tabla de productos.
 Ficha de datos 09066 Imanes planos de SmCo 136 kB
 Datos técnicos para imanes de sujeción y tubos de imán 61,7 kB

Planos (vista completa)

Imanes planos de SmCo

Imanes planos de SmCo, forma A

Más información

Planos

Imanes planos de SmCo, forma A

Selección/filtro de artículos

ReferenciaFormaD

HFuerza de
adherencia
N
CADAcc.PrecioPedir
09066-01A6 ±0,154,55 221.84 MXN
09066-02A8 ±0,154,511 236.29 MXN
09066-03A10 ±0,154,520 256.16 MXN
09066-04A13 ±0,154,540 271.50 MXN
09066-05A16 ±0,154,560 302.51 MXN
09066-06A20 ±0,15690 377.16 MXN
09066-07A25 ±0,157150 643.24 MXN
09066-08A32 ±0,207220 820.53 MXN

Imanes planos de SmCo, forma B

Más información

Planos

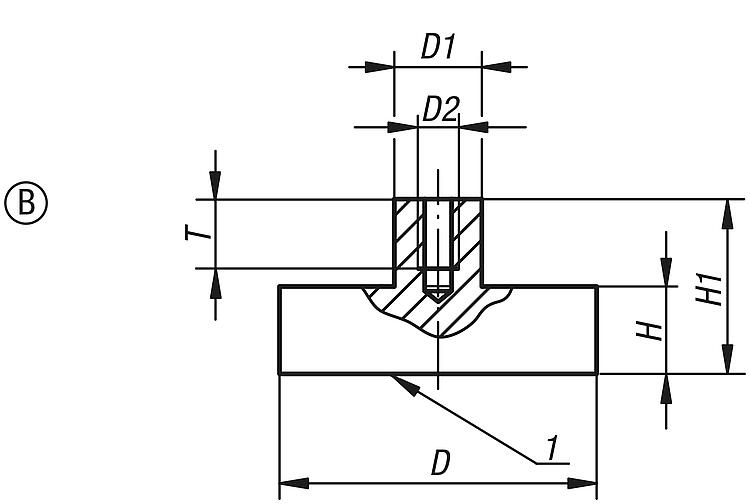
Imanes planos de SmCo, forma B

Selección/filtro de artículos

ReferenciaFormaD

D1D2HH1TFuerza de
adherencia
N
CADAcc.PrecioPedir
09066-11B6 ±0,156M34,511,565 190.23 MXN
09066-12B8 ±0,156M34,511,5611 201.67 MXN
09066-13B10 ±0,156M34,511,5620 219.13 MXN
09066-14B13 ±0,156M34,511,5640 232.97 MXN
09066-15B16 ±0,156M44,511,5660 258.57 MXN
09066-16B20 ±0,158M46137,590 322.67 MXN
09066-17B25 ±0,158M47147,5150 548.42 MXN
09066-18B32 ±0,2010M5715,58,5220 697.42 MXN
Mi norelemCorreo electrónicoContraseña
Cesta de la compra
Número de artículos: 0
Total: 0.00  MXN
mostrar
Pedido rápido / Comprobar disponibilidadPedir el artículo directamente o comprobar la disponibilidad.Mostrar
México
Mapa web Imprimir Recomendar Top
Copyright © 2025 norelem S.de RL. de. C.V. Todos los derechos reservados. Teléfono: +52 444 454 36 – 50