norelem emplea cookies con vistas a una configuración óptima, así como una mejora continua de la página Web. El hecho de continuar usando esta página Web significa que está aceptando al mismo tiempo la utilización de cookies. En nuestra Declaración de protección de datos encontrará más información sobre la temática de las cookies.Aceptación
Imanes redondos (imanes de barra) de SmCo
09067

Imanes redondos (imanes de barra) de SmCo

Volver

Descripción del artículo/Imágenes del producto

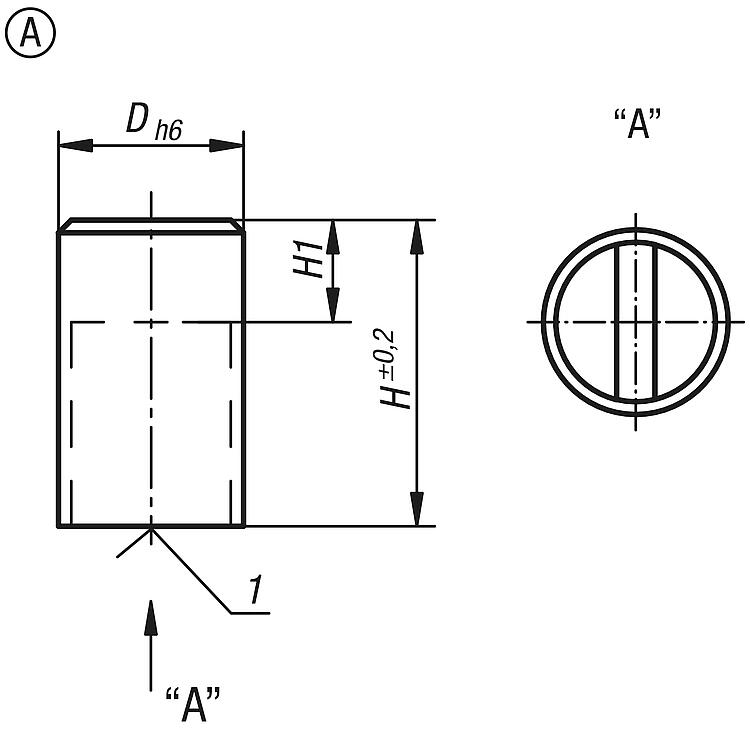
DescripciónMaterial:Carcasa de latón.
Núcleo magnético de SmCo.
Indicación:Versión lisa, sistema blindado. Diámetro “D” pulido con tolerancia de ajuste h6. Los imanes de barra de SmCo nunca deben montarse directamente a presión en el hierro pues, de lo contrario, se reduce la fuerza de adherencia a consecuencia de un cortocircuito magnético. Los imanes de barra de SmCo son especialmente adecuados para el uso directo en soldadoras por puntos, pues no se produce desimantación.

Los imanes de barra se pueden acortar a la medida “H1” sin perjuicio de la fuerza de adherencia.
Rango de temperatura:200 °C máx.Indicación sobre el dibujo:
1) Superficie de adherencia
DescargarAquí figura información recopilada en formato PDF:

¿Está buscando datos CAD? Los encontrará directamente en la tabla de productos.
 Ficha de datos 09067 Imanes redondos (imanes de barra) de SmCo 193 kB
 Datos técnicos para imanes de sujeción y tubos de imán 61,7 kB

Planos (vista completa)

Imanes redondos (imanes de barra) de SmCo

Imanes redondos (imanes de barra) de SmCo, forma A

Más información

Planos

Imanes redondos (imanes de barra) de SmCo, forma A

Selección/filtro de artículos

ReferenciaFormaD

HH1Fuerza de
adherencia
N
Distancia con
la pared de
hierro/mm
CADAcc.PrecioPedir
09067-01A6201081,5 270.61 MXN
09067-03A82010221,5 317.56 MXN
09067-05A10208402 364.52 MXN
09067-07A13206602,5 426.22 MXN
09067-09A162021253 476.78 MXN
09067-11A202552504 552.34 MXN
09067-13A253574005 1,159.76 MXN
09067-15A32404,56006 2,228.00 MXN

Imanes redondos (imanes de barra) de SmCo, forma B

Más información

Planos

Imanes redondos (imanes de barra) de SmCo, forma B

Selección/filtro de artículos

ReferenciaFormaD

D1HTFuerza de
adherencia
N
Distancia con
la pared de
hierro/mm
CADAcc.PrecioPedir
09067-02B6M320581,5 131.09 MXN
09067-04B8M3205221,5 148.42 MXN
09067-06B10M4207402 178.05 MXN
09067-08B13M4207602,5 227.24 MXN
09067-10B16M42581253 311.36 MXN
09067-12B20M62562504 450.55 MXN
09067-14B25M63584005 938.29 MXN
09067-16B32M64066006 1,692.38 MXN
Mi norelemCorreo electrónicoContraseña
Cesta de la compra
Número de artículos: 0
Total: 0.00  MXN
mostrar
Pedido rápido / Comprobar disponibilidadPedir el artículo directamente o comprobar la disponibilidad.Mostrar
México
Mapa web Imprimir Recomendar Top
Copyright © 2025 norelem S.de RL. de. C.V. Todos los derechos reservados. Teléfono: +52 444 454 36 – 50