|
|
|
03089_CPernos de bloqueo de acero inoxidable con botón de maniobra de... |
Volver |
|
Descripción del artículo/Imágenes del producto |
|
|
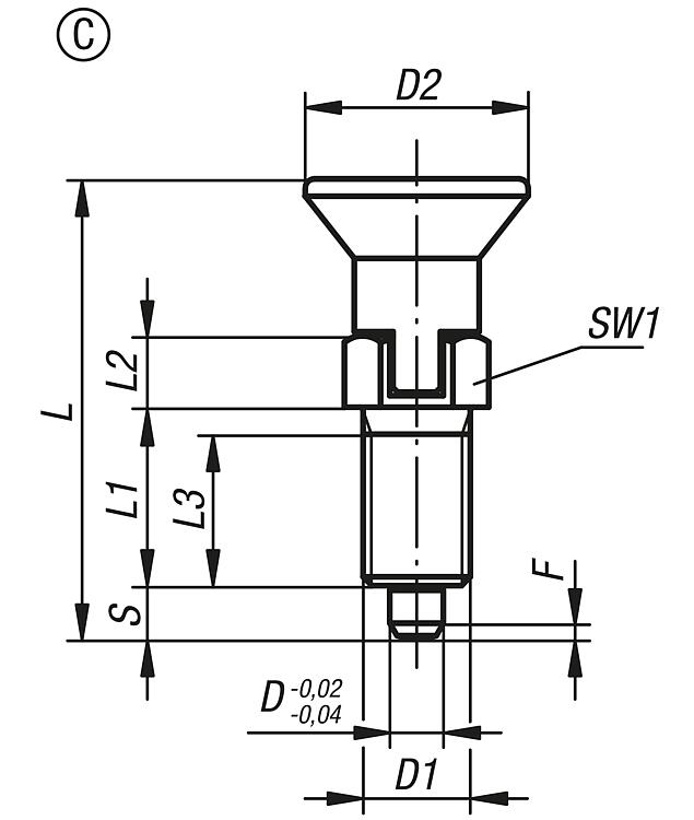
DescripciónDescripción del producto:Los pernos de bloqueo se utilizan para impedir una modificación de la posición de bloqueo por fuerzas transversales. Como ejemplo se puede mencionar el bloqueo de longitud y altura, y el bloqueo de posición en estructuras de máquinas, aparatos, muebles y vehículos especiales.
El perno solo puede colocarse en otra posición de bloqueo una vez que se haya desacoplado manualmente. Para evitar que la clavija de bloqueo rebote cuando sea necesario desacoplarla tras un periodo de tiempo prolongado, se utilizará la forma C o la forma D.
Los materiales usados permiten un uso versátil. En caso de que se exija una alta resistencia a la corrosión, se recomienda utilizar pernos de bloqueo de acero inoxidable A4. Material:Versión de acero inoxidable A2:
Casquillo y botón de maniobra 1.4305.
Clavija de bloqueo endurecida 1.4034.
Clavija de bloqueo no endurecida 1.4305.
Muelle de compresión 1.4310.
Versión de acero inoxidable A4:
Casquillo, botón de maniobra y clavija de bloqueo 1.4404.
Muelle de compresión 1.4401 o 1.4571. Versión:Versión de acero inoxidable A2: casquillo roscado de acabado natural. Botón de maniobra de acabado natural. Clavija de bloqueo endurecida o no endurecida, pulida y con acabado natural.
Versión de acero inoxidable A4: casquillo roscado de acabado natural. Botón de maniobra con acabado natural o tratado con chorro.Clavija de bloqueo pulida, con niquelado químico o acabado natural.A petición:Modelos especiales.Accesorios:Anillos distanciadores 03089. Juegos de fijación para piezas de paredes finas 03094-10.Características especiales: DescargarAquí figura información recopilada en formato PDF:
¿Está buscando datos CAD? Los encontrará directamente en la tabla de productos.
|
Selección/filtro de artículos |
|
| Referencia | Forma | Material del cuerpo de base | Llave del acero | Botón de maniobra | Clavija de bloqueo | D | D1 | D2 | L | L1 | L2 | L3 | Carrera S | SW1 | F x 30° | Fuerza del muelle inicial F1 aprox. N | Fuerza del muelle final F2 aprox. N | CAD | Acc. | Precio | Pedir |
|---|
| 03089-003903 | C | acero inoxidable | 1.4034 | - | endurecido | 3 | M6x0,75 | 14 | 31,5 | 12 | 5 | 10 | 3,5 | 8 | 0,8 | 4,5 | 10 |  | | 597.49 MXN | | | 03089-003004 | C | acero inoxidable | 1.4034 | - | endurecido | 4 | M8x1 | 18 | 38,5 | 15 | 6 | 13 | 4 | 10 | 1 | 6 | 12 |  |  | 570.09 MXN | | | 03089-003105 | C | acero inoxidable | 1.4034 | - | endurecido | 5 | M10x1 | 21 | 43,5 | 17 | 7 | 15 | 5 | 13 | 1,3 | 5 | 12 |  |  | 543.31 MXN | | | 03089-003206 | C | acero inoxidable | 1.4034 | - | endurecido | 6 | M12x1,5 | 25 | 51,7 | 20 | 8 | 17 | 6 | 14 | 1,8 | 6 | 14 |  |  | 642.33 MXN | | | 03089-003308 | C | acero inoxidable | 1.4034 | - | endurecido | 8 | M16x1,5 | 33 | 68 | 26 | 10 | 23 | 8 | 19 | 2,3 | 15 | 35 |  |  | 871.09 MXN | | | 03089-003410 | C | acero inoxidable | 1.4034 | - | endurecido | 10 | M20x1,5 | 33 | 74 | 28 | 12 | 25 | 10 | 22 | 2,8 | 15 | 34 |  | | 1,173.61 MXN | | | 03089-003412 | C | acero inoxidable | 1.4034 | - | endurecido | 12 | M20x1,5 | 33 | 78 | 28 | 14 | 25 | 12 | 22 | 2,8 | 15 | 39 |  | | 1,846.94 MXN | | | 03089-003516 | C | acero inoxidable | 1.4034 | - | endurecido | 16 | M24x2 | 40 | 96 | 32 | 18 | 28 | 16 | 27 | 3,2 | 20 | 46 |  | | 2,098.88 MXN | | | 03089-113903 | C | acero inoxidable | 1.4305 | - | no endurecido | 3 | M6x0,75 | 14 | 31,5 | 12 | 5 | 10 | 3,5 | 8 | 0,8 | 4,5 | 10 |  | | 597.49 MXN | | | 03089-113004 | C | acero inoxidable | 1.4305 | - | no endurecido | 4 | M8x1 | 18 | 38,5 | 15 | 6 | 13 | 4 | 10 | 1 | 6 | 12 |  |  | 570.09 MXN | | | 03089-113105 | C | acero inoxidable | 1.4305 | - | no endurecido | 5 | M10x1 | 21 | 43,5 | 17 | 7 | 15 | 5 | 13 | 1,3 | 5 | 12 |  |  | 543.31 MXN | | | 03089-113206 | C | acero inoxidable | 1.4305 | - | no endurecido | 6 | M12x1,5 | 25 | 51,7 | 20 | 8 | 17 | 6 | 14 | 1,8 | 6 | 14 |  |  | 642.33 MXN | | | 03089-113308 | C | acero inoxidable | 1.4305 | - | no endurecido | 8 | M16x1,5 | 33 | 68 | 26 | 10 | 23 | 8 | 19 | 2,3 | 15 | 35 |  |  | 871.09 MXN | | | 03089-113410 | C | acero inoxidable | 1.4305 | - | no endurecido | 10 | M20x1,5 | 33 | 74 | 28 | 12 | 25 | 10 | 22 | 2,8 | 15 | 34 |  | | 1,173.61 MXN | | | 03089-113412 | C | acero inoxidable | 1.4305 | - | no endurecido | 12 | M20x1,5 | 33 | 78 | 28 | 14 | 25 | 12 | 22 | 2,8 | 15 | 39 |  | | 1,846.94 MXN | | | 03089-113516 | C | acero inoxidable | 1.4305 | - | no endurecido | 16 | M24x2 | 40 | 96 | 32 | 18 | 28 | 16 | 27 | 3,2 | 20 | 46 |  | | 2,098.88 MXN | | | 03089-063903 | C | acero inoxidable | 1.4404 | acabado natural | niquelado | 3 | M6x0,75 | 14 | 31,5 | 12 | 5 | 10 | 3,5 | 8 | 0,8 | 3 | 6,5 |  | | 775.68 MXN | | | 03089-063004 | C | acero inoxidable | 1.4404 | acabado natural | niquelado | 4 | M8x1 | 18 | 38,5 | 15 | 6 | 13 | 4 | 10 | 1 | 7 | 15,5 |  | | 739.56 MXN | | | 03089-063105 | C | acero inoxidable | 1.4404 | acabado natural | niquelado | 5 | M10x1 | 21 | 43,5 | 17 | 7 | 15 | 5 | 13 | 1,3 | 4 | 12,5 |  | | 704.65 MXN | | | 03089-063206 | C | acero inoxidable | 1.4404 | acabado natural | niquelado | 6 | M12x1,5 | 25 | 51,7 | 20 | 8 | 17 | 6 | 14 | 1,8 | 7 | 14,5 |  | | 832.87 MXN | | | 03089-063308 | C | acero inoxidable | 1.4404 | acabado natural | niquelado | 8 | M16x1,5 | 33 | 68 | 26 | 10 | 23 | 8 | 19 | 2,3 | 15 | 35 |  | | 1,129.95 MXN | | | 03089-063410 | C | acero inoxidable | 1.4404 | acabado natural | niquelado | 10 | M20x1,5 | 33 | 74 | 28 | 12 | 25 | 10 | 22 | 2,8 | 15 | 30 |  | | 1,408.08 MXN | | | 03089-063412 | C | acero inoxidable | 1.4404 | acabado natural | niquelado | 12 | M20x1,5 | 33 | 78 | 28 | 14 | 25 | 12 | 22 | 2,8 | 15 | 39 |  | | 1,935.14 MXN | | | 03089-063516 | C | acero inoxidable | 1.4404 | acabado natural | niquelado | 16 | M24x2 | 40 | 96 | 32 | 18 | 28 | 16 | 27 | 3,2 | 20 | 40 |  | | 2,304.16 MXN | | | 03089-173903 | C | acero inoxidable | 1.4404 | acabado natural | acabado natural | 3 | M6x0,75 | 14 | 31,5 | 12 | 5 | 10 | 3,5 | 8 | 0,8 | 3 | 6,5 |  | | 775.68 MXN | | | 03089-173004 | C | acero inoxidable | 1.4404 | acabado natural | acabado natural | 4 | M8x1 | 18 | 38,5 | 15 | 6 | 13 | 4 | 10 | 1 | 7 | 15,5 |  | | 739.56 MXN | | | 03089-173105 | C | acero inoxidable | 1.4404 | acabado natural | acabado natural | 5 | M10x1 | 21 | 43,5 | 17 | 7 | 15 | 5 | 13 | 1,3 | 4 | 12,5 |  | | 704.65 MXN | | | 03089-173206 | C | acero inoxidable | 1.4404 | acabado natural | acabado natural | 6 | M12x1,5 | 25 | 51,7 | 20 | 8 | 17 | 6 | 14 | 1,8 | 7 | 14,5 |  | | 832.87 MXN | | | 03089-173308 | C | acero inoxidable | 1.4404 | acabado natural | acabado natural | 8 | M16x1,5 | 33 | 68 | 26 | 10 | 23 | 8 | 19 | 2,3 | 15 | 35 |  | | 1,129.95 MXN | | | 03089-173410 | C | acero inoxidable | 1.4404 | acabado natural | acabado natural | 10 | M20x1,5 | 33 | 74 | 28 | 12 | 25 | 10 | 22 | 2,8 | 15 | 30 |  | | 1,408.08 MXN | | | 03089-173412 | C | acero inoxidable | 1.4404 | acabado natural | acabado natural | 12 | M20x1,5 | 33 | 78 | 28 | 14 | 25 | 12 | 22 | 2,8 | 15 | 39 |  | | 1,935.14 MXN | | | 03089-173516 | C | acero inoxidable | 1.4404 | acabado natural | acabado natural | 16 | M24x2 | 40 | 96 | 32 | 18 | 28 | 16 | 27 | 3,2 | 20 | 40 |  | | 2,304.16 MXN | | | 03089-0639031 | C | acero inoxidable | 1.4404 | tratado con chorro | niquelado | 3 | M6x0,75 | 14 | 31,5 | 12 | 5 | 10 | 3,5 | 8 | 0,8 | 3 | 6,5 |  | | 775.68 MXN | | | 03089-0630041 | C | acero inoxidable | 1.4404 | tratado con chorro | niquelado | 4 | M8x1 | 18 | 38,5 | 15 | 6 | 13 | 4 | 10 | 1 | 7 | 15,5 |  | | 739.56 MXN | | | 03089-0631051 | C | acero inoxidable | 1.4404 | tratado con chorro | niquelado | 5 | M10x1 | 21 | 43,5 | 17 | 7 | 15 | 5 | 13 | 1,3 | 4 | 12,5 |  | | 704.65 MXN | | | 03089-0632061 | C | acero inoxidable | 1.4404 | tratado con chorro | niquelado | 6 | M12x1,5 | 25 | 51,7 | 20 | 8 | 17 | 6 | 14 | 1,8 | 7 | 14,5 |  | | 832.87 MXN | | | 03089-0633081 | C | acero inoxidable | 1.4404 | tratado con chorro | niquelado | 8 | M16x1,5 | 33 | 68 | 26 | 10 | 23 | 8 | 19 | 2,3 | 15 | 35 |  | | 1,129.95 MXN | | | 03089-0634101 | C | acero inoxidable | 1.4404 | tratado con chorro | niquelado | 10 | M20x1,5 | 33 | 74 | 28 | 12 | 25 | 10 | 22 | 2,8 | 15 | 30 |  | | 1,408.08 MXN | | | 03089-0634121 | C | acero inoxidable | 1.4404 | tratado con chorro | niquelado | 12 | M20x1,5 | 33 | 78 | 28 | 14 | 25 | 12 | 22 | 2,8 | 15 | 39 |  | | 1,935.14 MXN | | | 03089-0635161 | C | acero inoxidable | 1.4404 | tratado con chorro | niquelado | 16 | M24x2 | 40 | 96 | 32 | 18 | 28 | 16 | 27 | 3,2 | 20 | 40 |  | | 2,304.16 MXN | | | 03089-1739031 | C | acero inoxidable | 1.4404 | tratado con chorro | acabado natural | 3 | M6x0,75 | 14 | 31,5 | 12 | 5 | 10 | 3,5 | 8 | 0,8 | 3 | 6,5 |  | | 775.68 MXN | | | 03089-1730041 | C | acero inoxidable | 1.4404 | tratado con chorro | acabado natural | 4 | M8x1 | 18 | 38,5 | 15 | 6 | 13 | 4 | 10 | 1 | 7 | 15,5 |  | | 739.56 MXN | | | 03089-1731051 | C | acero inoxidable | 1.4404 | tratado con chorro | acabado natural | 5 | M10x1 | 21 | 43,5 | 17 | 7 | 15 | 5 | 13 | 1,3 | 4 | 12,5 |  | | 704.65 MXN | | | 03089-1732061 | C | acero inoxidable | 1.4404 | tratado con chorro | acabado natural | 6 | M12x1,5 | 25 | 51,7 | 20 | 8 | 17 | 6 | 14 | 1,8 | 7 | 14,5 |  | | 832.87 MXN | | | 03089-1733081 | C | acero inoxidable | 1.4404 | tratado con chorro | acabado natural | 8 | M16x1,5 | 33 | 68 | 26 | 10 | 23 | 8 | 19 | 2,3 | 15 | 35 |  | | 1,129.95 MXN | | | 03089-1734101 | C | acero inoxidable | 1.4404 | tratado con chorro | acabado natural | 10 | M20x1,5 | 33 | 74 | 28 | 12 | 25 | 10 | 22 | 2,8 | 15 | 30 |  | | 1,408.08 MXN | | | 03089-1734121 | C | acero inoxidable | 1.4404 | tratado con chorro | acabado natural | 12 | M20x1,5 | 33 | 78 | 28 | 14 | 25 | 12 | 22 | 2,8 | 15 | 39 |  | | 1,935.14 MXN | | | 03089-1735161 | C | acero inoxidable | 1.4404 | tratado con chorro | acabado natural | 16 | M24x2 | 40 | 96 | 32 | 18 | 28 | 16 | 27 | 3,2 | 20 | 40 |  | | 2,304.16 MXN | |
Otros artículos de esta categoría |
|
| Pedido rápido / Comprobar disponibilidadPedir el artículo directamente o comprobar la disponibilidad.Mostrar |
|