|
|
|
23765Placas de deslizamiento de bronce o acero, sin mantenimiento |
Volver |
|
|
DescripciónMaterial:Bronce con insertos de grafito. Acero.Versión:Bronce autolubricante. Acero endurecido, superficies deslizantes de metal sinterizado.Indicación:Las placas deslizantes tienen una dirección de deslizamiento vertical. Los elementos deslizantes de bronce no requieren mantenimiento y son resistentes al desgaste. Gracias a los insertos de grafito, la lubricación es de por vida. Las placas deslizantes de acero están endurecidas y las superficies deslizantes tienen un revestimiento deslizante de metal sinterizado. Las placas deslizantes de acero no requieren mantenimiento gracias al revestimiento deslizante de metal sinterizado. Datos técnicos:Propiedades del material: Aleación básica: CuZn25Al5Mn4Fe3-C. Densidad: 8,2 kg/dm³. Resistencia alterna de flexión: +/- 150 MPa. Módulo elasticidad: 120.000 N/mm². Coeficiente de fricción: 0,05 - 0,12. Velocidad máxima: 0,5 m/s. Conductividad térmica: 50 W/(mK). Coeficiente de dilatación: 18x10-6 K-1. Conductividad eléctrica: 7-8 m/(Ω·m-1). Proporción de lubricante sólido: 20-25%. Compresión superficial estática: 50 N/mm². Compresión superficial dinámica: 35 N/mm².Rango de temperatura:Hasta 230 °C.Características especiales: DescargarAquí figura información recopilada en formato PDF:
¿Está buscando datos CAD? Los encontrará directamente en la tabla de productos.
|
Placas de deslizamiento de bronce o acero, sin mantenimiento, forma A |
Más información |
Selección/filtro de artículos |
|
| Referencia | Forma | Material del cuerpo de base | Superficie cuerpo de base | Material del componente | B | H | L | L1 | L2 | CAD | Acc. | Precio | Pedir |
|---|
| 23765-0050080 | A | acero | endurecido | - | 50 | 20 | 80 | 55 | 25 |  | | 792.23 MXN | | | 23765-0050100 | A | acero | endurecido | - | 50 | 20 | 100 | 75 | 25 |  | | 887.35 MXN | | | 23765-0050125 | A | acero | endurecido | - | 50 | 20 | 125 | 100 | 25 |  | | 991.49 MXN | | | 23765-0050160 | A | acero | endurecido | - | 50 | 20 | 160 | 135 | 25 |  | | 1,171.80 MXN | | | 23765-0050200 | A | acero | endurecido | - | 50 | 20 | 200 | 175 | 25 |  | | 1,411.09 MXN | | | 23765-0080080 | A | acero | endurecido | - | 80 | 20 | 80 | 55 | 25 |  | | 949.35 MXN | | | 23765-0080100 | A | acero | endurecido | - | 80 | 20 | 100 | 75 | 25 |  | | 1,035.15 MXN | | | 23765-0080125 | A | acero | endurecido | - | 80 | 20 | 125 | 100 | 25 |  | | 1,195.28 MXN | | | 23765-0080160 | A | acero | endurecido | - | 80 | 20 | 160 | 135 | 25 |  | | 1,505.00 MXN | | | 23765-0080200 | A | acero | endurecido | - | 80 | 20 | 200 | 175 | 25 |  | | 1,734.36 MXN | | | 23765-0080250 | A | acero | endurecido | - | 80 | 20 | 250 | 210 | 40 |  | | 2,196.10 MXN | | | 23765-0080315 | A | acero | endurecido | - | 80 | 20 | 315 | 275 | 40 |  | | 2,527.80 MXN | | | 23765-0100100 | A | acero | endurecido | - | 100 | 20 | 100 | 75 | 25 |  | | 1,194.97 MXN | | | 23765-0100125 | A | acero | endurecido | - | 100 | 20 | 125 | 100 | 25 |  | | 1,430.66 MXN | | | 23765-0100160 | A | acero | endurecido | - | 100 | 20 | 160 | 135 | 25 |  | | 1,696.44 MXN | | | 23765-0100200 | A | acero | endurecido | - | 100 | 20 | 200 | 175 | 25 |  | | 1,918.28 MXN | | | 23765-0100250 | A | acero | endurecido | - | 100 | 20 | 250 | 210 | 40 |  | | 2,417.94 MXN | | | 23765-0100315 | A | acero | endurecido | - | 100 | 20 | 315 | 275 | 40 |  | | 2,994.66 MXN | | | 23765-00500801 | A | bronce | - | grafito | 50 | 20 | 80 | 55 | 25 |  | | 762.44 MXN | | | 23765-00501001 | A | bronce | - | grafito | 50 | 20 | 100 | 75 | 25 |  | | 872.00 MXN | | | 23765-00501251 | A | bronce | - | grafito | 50 | 20 | 125 | 100 | 25 |  | | 1,047.79 MXN | | | 23765-00501601 | A | bronce | - | grafito | 50 | 20 | 160 | 135 | 25 |  | | 1,261.50 MXN | | | 23765-00502001 | A | bronce | - | grafito | 50 | 20 | 200 | 175 | 25 |  | | 1,488.75 MXN | | | 23765-00800801 | A | bronce | - | grafito | 80 | 20 | 80 | 55 | 25 |  | | 952.07 MXN | | | 23765-00801001 | A | bronce | - | grafito | 80 | 20 | 100 | 75 | 25 |  | | 1,204.31 MXN | | | 23765-00801251 | A | bronce | - | grafito | 80 | 20 | 125 | 100 | 25 |  | | 1,442.99 MXN | | | 23765-00801601 | A | bronce | - | grafito | 80 | 20 | 160 | 135 | 25 |  | | 1,801.49 MXN | | | 23765-00802001 | A | bronce | - | grafito | 80 | 20 | 200 | 175 | 25 |  | | 2,169.01 MXN | | | 23765-00802501 | A | bronce | - | grafito | 80 | 20 | 250 | 210 | 40 |  | | 2,615.40 MXN | | | 23765-00803151 | A | bronce | - | grafito | 80 | 20 | 315 | 275 | 40 |  | | 5,148.91 MXN | | | 23765-01001001 | A | bronce | - | grafito | 100 | 20 | 100 | 75 | 25 |  | | 1,434.57 MXN | | | 23765-01001251 | A | bronce | - | grafito | 100 | 20 | 125 | 100 | 25 |  | | 1,791.55 MXN | | | 23765-01001601 | A | bronce | - | grafito | 100 | 20 | 160 | 135 | 25 |  | | 2,195.80 MXN | | | 23765-01002001 | A | bronce | - | grafito | 100 | 20 | 200 | 175 | 25 |  | | 2,615.40 MXN | | | 23765-01002501 | A | bronce | - | grafito | 100 | 20 | 250 | 210 | 40 |  | | 3,230.64 MXN | | | 23765-01003151 | A | bronce | - | grafito | 100 | 20 | 315 | 275 | 40 |  | | 4,018.66 MXN | |
|
Placas de deslizamiento de bronce o acero, sin mantenimiento, forma B |
Más información |
Selección/filtro de artículos |
|
| Referencia | Forma | Material del cuerpo de base | Superficie cuerpo de base | Material del componente | B | B1 | H | L | L2 | CAD | Acc. | Precio | Pedir |
|---|
| 23765-1080050 | B | acero | endurecido | - | 80 | 30 | 20 | 50 | 25 |  | | 792.23 MXN | | | 23765-1100050 | B | acero | endurecido | - | 100 | 50 | 20 | 50 | 25 |  | | 793.14 MXN | | | 23765-1100080 | B | acero | endurecido | - | 100 | 50 | 20 | 80 | 40 |  | | 883.13 MXN | | | 23765-1125050 | B | acero | endurecido | - | 125 | 75 | 20 | 50 | 25 |  | | 986.99 MXN | | | 23765-1125080 | B | acero | endurecido | - | 125 | 75 | 20 | 80 | 40 |  | | 1,194.97 MXN | | | 23765-1160050 | B | acero | endurecido | - | 160 | 110 | 20 | 50 | 25 |  | | 1,176.91 MXN | | | 23765-1160080 | B | acero | endurecido | - | 160 | 110 | 20 | 80 | 40 |  | | 1,497.48 MXN | | | 23765-10800501 | B | bronce | - | grafito | 80 | 30 | 20 | 50 | 25 |  | | 733.54 MXN | | | 23765-11000501 | B | bronce | - | grafito | 100 | 50 | 20 | 50 | 25 |  | | 872.00 MXN | | | 23765-11000801 | B | bronce | - | grafito | 100 | 50 | 20 | 80 | 40 |  | | 1,204.31 MXN | | | 23765-11250501 | B | bronce | - | grafito | 125 | 75 | 20 | 50 | 25 |  | | 1,009.86 MXN | | | 23765-11250801 | B | bronce | - | grafito | 125 | 75 | 20 | 80 | 40 |  | | 1,440.59 MXN | | | 23765-11600501 | B | bronce | - | grafito | 160 | 110 | 20 | 50 | 25 |  | | 1,216.04 MXN | | | 23765-11600801 | B | bronce | - | grafito | 160 | 110 | 20 | 80 | 40 |  | | 1,740.69 MXN | |
|
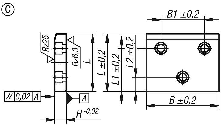
Placas de deslizamiento de bronce o acero, sin mantenimiento, forma C |
Más información |
Selección/filtro de artículos |
|
| Referencia | Forma | Material del cuerpo de base | Superficie cuerpo de base | Material del componente | B | B1 | H | L | L1 | L2 | CAD | Acc. | Precio | Pedir |
|---|
| 23765-2125100 | C | acero | endurecido | - | 125 | 75 | 20 | 100 | 75 | 25 |  | | 1,430.66 MXN | | | 23765-2125125 | C | acero | endurecido | - | 125 | 75 | 20 | 125 | 100 | 25 |  | | 1,644.66 MXN | | | 23765-2125160 | C | acero | endurecido | - | 125 | 75 | 20 | 160 | 135 | 25 |  | | 1,936.34 MXN | | | 23765-2125200 | C | acero | endurecido | - | 125 | 75 | 20 | 200 | 175 | 25 |  | | 2,239.75 MXN | | | 23765-2125250 | C | acero | endurecido | - | 125 | 75 | 20 | 250 | 210 | 40 |  | | 2,882.08 MXN | | | 23765-2125315 | C | acero | endurecido | - | 125 | 75 | 20 | 315 | 275 | 40 |  | | 3,658.66 MXN | | | 23765-2160100 | C | acero | endurecido | - | 160 | 110 | 20 | 100 | 75 | 25 |  | | 1,696.44 MXN | | | 23765-2160125 | C | acero | endurecido | - | 160 | 110 | 20 | 125 | 100 | 25 |  | | 1,936.34 MXN | | | 23765-2160160 | C | acero | endurecido | - | 160 | 110 | 20 | 160 | 135 | 25 |  | | 2,288.20 MXN | | | 23765-2160200 | C | acero | endurecido | - | 160 | 110 | 20 | 200 | 175 | 25 |  | | 2,870.04 MXN | | | 23765-21251001 | C | bronce | - | grafito | 125 | 75 | 20 | 100 | 75 | 25 |  | | 1,786.74 MXN | | | 23765-21251251 | C | bronce | - | grafito | 125 | 75 | 20 | 125 | 100 | 25 |  | | 2,113.02 MXN | | | 23765-21251601 | C | bronce | - | grafito | 125 | 75 | 20 | 160 | 135 | 25 |  | | 2,645.79 MXN | | | 23765-21252001 | C | bronce | - | grafito | 125 | 75 | 20 | 200 | 175 | 25 |  | | 3,204.45 MXN | | | 23765-21252501 | C | bronce | - | grafito | 125 | 75 | 20 | 250 | 210 | 40 |  | | 4,014.14 MXN | | | 23765-21253151 | C | bronce | - | grafito | 125 | 75 | 20 | 315 | 275 | 40 |  | | 5,148.91 MXN | | | 23765-21601001 | C | bronce | - | grafito | 160 | 110 | 20 | 100 | 75 | 25 |  | | 2,195.80 MXN | | | 23765-21601251 | C | bronce | - | grafito | 160 | 110 | 20 | 125 | 100 | 25 |  | | 2,645.79 MXN | | | 23765-21601601 | C | bronce | - | grafito | 160 | 110 | 20 | 160 | 135 | 25 |  | | 3,260.14 MXN | | | 23765-21602001 | C | bronce | - | grafito | 160 | 110 | 20 | 200 | 175 | 25 |  | | 4,171.86 MXN | |
|
|
Placas de deslizamiento de bronce o acero, sin mantenimiento, forma E |
Más información |
Selección/filtro de artículos |
|
| Referencia | Forma | Material del cuerpo de base | Material del componente | B | H | L | L1 | L2 | CAD | Acc. | Precio | Pedir |
|---|
| 23765-40502501 | E | bronce | grafito | 50 | 20 | 250 | 85 | 25 |  | | 3,296.55 MXN | | | 23765-40503001 | E | bronce | grafito | 50 | 20 | 300 | 105 | 25 |  | | 3,955.14 MXN | | | 23765-40503501 | E | bronce | grafito | 50 | 20 | 350 | 125 | 25 |  | | 4,539.99 MXN | | | 23765-40504001 | E | bronce | grafito | 50 | 20 | 400 | 145 | 25 |  | | 5,107.68 MXN | | | 23765-40504501 | E | bronce | grafito | 50 | 20 | 450 | 165 | 25 |  | | 5,746.40 MXN | | | 23765-40505001 | E | bronce | grafito | 50 | 20 | 500 | 175 | 25 |  | | 5,448.41 MXN | | | 23765-40802501 | E | bronce | grafito | 80 | 20 | 250 | 85 | 25 |  | | 4,588.15 MXN | | | 23765-40803001 | E | bronce | grafito | 80 | 20 | 300 | 105 | 25 |  | | 5,603.72 MXN | | | 23765-40803501 | E | bronce | grafito | 80 | 20 | 350 | 125 | 25 |  | | 6,537.43 MXN | | | 23765-40804001 | E | bronce | grafito | 80 | 20 | 400 | 145 | 25 |  | | 7,366.38 MXN | | | 23765-40804501 | E | bronce | grafito | 80 | 20 | 450 | 165 | 25 |  | | 8,287.13 MXN | | | 23765-40805001 | E | bronce | grafito | 80 | 20 | 500 | 175 | 25 |  | | 9,091.40 MXN | | | 23765-41004501 | E | bronce | grafito | 100 | 20 | 450 | 165 | 25 |  | | 9,194.35 MXN | | | 23765-41005001 | E | bronce | grafito | 100 | 20 | 500 | 175 | 25 |  | | 10,897.11 MXN | | | 23765-41254501 | E | bronce | grafito | 125 | 20 | 450 | 165 | 25 |  | | 11,863.01 MXN | | | 23765-41255001 | E | bronce | grafito | 125 | 20 | 500 | 175 | 25 |  | | 13,181.10 MXN | |
|
Otros artículos de esta categoría |
|
| Pedido rápido / Comprobar disponibilidadPedir el artículo directamente o comprobar la disponibilidad.Mostrar |
|