norelem emplea cookies con vistas a una configuración óptima, así como una mejora continua de la página Web. El hecho de continuar usando esta página Web significa que está aceptando al mismo tiempo la utilización de cookies. En nuestra Declaración de protección de datos encontrará más información sobre la temática de las cookies.Aceptación
Soportes con bola oscilante, forma H, con asiento de ajuste, bola aplanada, con inserción de POM
02000_H

Soportes con bola oscilante, forma H, con asiento de ajuste,...

Volver

Descripción del artículo/Imágenes del producto

DescripciónMaterial:Cuerpo de acero para temple y revenido,
bola de acero del apoyo de cilindros 1.2067,
inserto POM.
Versión:Cuerpo tratado en caliente y fosfatado.
Bola endurecida.
Indicación:Los soportes con bola oscilante sirven como topes, apoyos y piezas de presión en la construcción de portapiezas.

Bola asegurada contra torsiones.

* Válido solo si se respeta la profundidad mínima de perforación.
Características especiales:
RoHS
DescargarAquí figura información recopilada en formato PDF:

¿Está buscando datos CAD? Los encontrará directamente en la tabla de productos.
 Ficha de datos 02000_H Soportes con bola oscilante, forma H, con asiento de ajuste, bola aplanada, con inserción de POM 192 kB

Planos

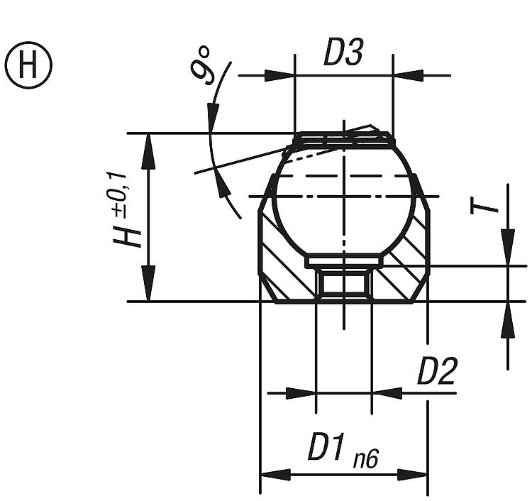
Soportes con bola oscilante, forma H, con asiento de ajuste, bola aplanada, con inserción de POM

Selección/filtro de artículos

ReferenciaFormaD1D2D3HTØ de bolaPerforación
de alojamiento
Capacidad de carga
máx. kN (solo con
carga estática)
CADAcc.PrecioPedir
02000-503H12M37,911310ø 12 H7X6 min.10* 946.05 MXN
02000-504H18M412,717416ø 18 H7X8 min.25* 1,256.98 MXN
02000-505H28M519,0525625ø 28 H7X13 min.90* 1,614.27 MXN
Mi norelemCorreo electrónicoContraseña
Cesta de la compra
Número de artículos: 0
Total: 0.00  MXN
mostrar
Pedido rápido / Comprobar disponibilidadPedir el artículo directamente o comprobar la disponibilidad.Mostrar
México
Mapa web Imprimir Recomendar Top
Copyright © 2025 norelem S.de RL. de. C.V. Todos los derechos reservados. Teléfono: +52 444 454 36 – 50