norelem emplea cookies con vistas a una configuración óptima, así como una mejora continua de la página Web. El hecho de continuar usando esta página Web significa que está aceptando al mismo tiempo la utilización de cookies. En nuestra Declaración de protección de datos encontrará más información sobre la temática de las cookies.Aceptación

Descripción del artículo/Imágenes del producto

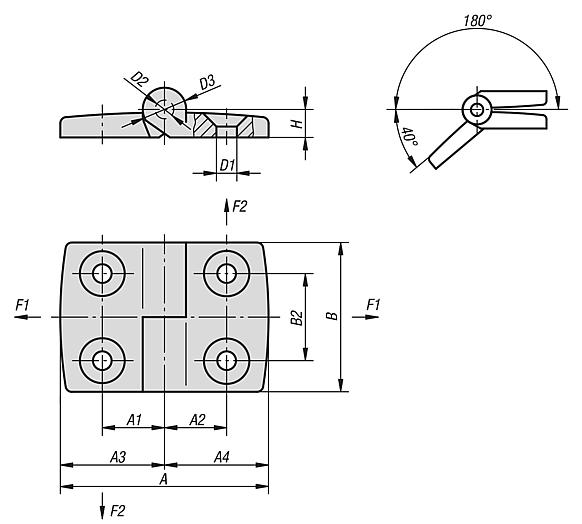
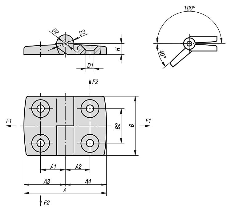
DescripciónMaterial:Termoplástico reforzado con fibra de vidrio. Eje de acero inoxidable.Versión:Bisagra negra. Eje con acabado natural.Indicación:Todas las bisagras también se pueden suministrar a petición con salientes guía para las ranuras de perfiles de aluminio (ranura 6, 8 y 10). Esto facilita el montaje, asegura la bisagra contra torsiones y la hacen más resistente.

Los valores de carga indicados constituyen valores orientativos no vinculantes que no tienen en cuenta factores de seguridad y se proporcionan excluyendo cualquier tipo de responsabilidad. Estos valores se indican solo a título informativo y no representan ninguna garantía sobre sus propiedades.

Los valores de carga se determinan con condiciones de laboratorio. Es competencia del usuario determinar individualmente si la bisagra es apta para la aplicación concreta.

Los valores determinados pueden resultar afectados por la amplia variedad de materiales en que van fijadas las bisagras, por los tipos de fijación, por las condiciones meteorológicas, así como por el desgaste.
Características especiales:
Acero inoxidable
DescargarAquí figura información recopilada en formato PDF:

¿Está buscando datos CAD? Los encontrará directamente en la tabla de productos.
 Ficha de datos 27850 Bisagras de plástico que se pueden colgar, derecha 205 kB

Planos

Bisagras de plástico que se pueden colgar, derecha

Selección/filtro de artículos

Referencia

AA1A2A3A4B

B2D1D2D3HF1
N
F2
N
CADAcc.PrecioPedir
27850-2251515521515262648286,66149625425 116.49 MXN
27850-225151855,51517,52629,548286,66149700500 119.50 MXN
27850-225152061,515202635,548286,66149700400 119.50 MXN
27850-225152364,51522,52638,548286,66149800350 123.12 MXN
27850-225152569,515252643,548286,66149800325 125.82 MXN
27850-225152874,51527,52648,548286,66149800320 128.53 MXN
27850-225153383,51532,52657,548286,66149800240 130.34 MXN
27850-230181555,517,51529,52648286,66149750450 119.50 MXN
27850-23018185917,517,529,529,548286,66149750500 119.50 MXN
27850-23018206517,52029,535,548286,66149700400 123.12 MXN
27850-23018236817,522,529,538,548286,66149800350 123.12 MXN
27850-23018257317,52529,543,548286,66149800350 123.12 MXN
27850-23018287817,527,529,548,548286,66149800350 123.12 MXN
27850-23018338717,532,529,557,548286,66149800240 125.82 MXN
27850-235201561,5201535,52648286,66149700400 119.50 MXN
27850-2352018652017,535,529,548286,66149750500 123.12 MXN
27850-235202071202035,535,548286,66149750400 125.82 MXN
27850-2352023742022,535,538,548286,66149800350 125.82 MXN
27850-235202579202535,543,548286,66149800350 128.53 MXN
27850-2352028842027,535,548,548286,66149800350 128.53 MXN
27850-2352033932032,535,557,548286,66149800240 130.34 MXN
27850-240231564,522,51538,52648286,66149650425 123.12 MXN
27850-24023186822,517,538,529,548286,66149750500 123.12 MXN
27850-24023207422,52038,535,548286,66149750400 125.82 MXN
27850-24023237722,522,538,538,548286,66149800350 125.82 MXN
27850-24023258222,52538,543,548286,66149800350 129.43 MXN
27850-24023288722,527,538,548,548286,66149800350 130.34 MXN
27850-24023339622,532,538,557,548286,66149800240 132.75 MXN
27850-245251569,5251543,52648286,66149650425 125.82 MXN
27850-2452518732517,543,529,548286,66149750500 123.12 MXN
27850-245252079252043,535,548286,66149700400 128.53 MXN
27850-2452523822522,543,538,548286,66149800350 129.43 MXN
27850-245252587252543,543,548286,66149800325 128.53 MXN
27850-2452528922527,543,548,548286,66149800320 130.34 MXN
27850-24525331012532,543,557,548286,66149800240 130.34 MXN
27850-250281574,527,51548,52648286,66149650425 128.53 MXN
27850-25028187827,517,548,529,548286,66149750500 123.12 MXN
27850-25028208427,52048,535,548286,66149700400 128.53 MXN
27850-25028238727,522,548,538,548286,66149800350 130.34 MXN
27850-25028289727,527,548,548,548286,66149800320 130.34 MXN
27850-250283310627,532,548,557,548286,66149800240 130.34 MXN
27850-26033188732,517,557,529,548286,66149750500 125.82 MXN
27850-26033209332,52057,535,548286,66149700400 130.34 MXN
27850-26033239632,522,557,538,548286,66149800350 132.75 MXN
27850-260332510132,52557,543,548286,66149800325 130.34 MXN
27850-260332810632,527,557,548,548286,66149900320 130.34 MXN
27850-260333311532,532,557,557,548286,66149900240 130.34 MXN
Mi norelemCorreo electrónicoContraseña
Cesta de la compra
Número de artículos: 0
Total: 0.00  MXN
mostrar
Pedido rápido / Comprobar disponibilidadPedir el artículo directamente o comprobar la disponibilidad.Mostrar
México
Mapa web Imprimir Recomendar Top
Copyright © 2025 norelem S.de RL. de. C.V. Todos los derechos reservados. Teléfono: +52 444 454 36 – 50