norelem emplea cookies con vistas a una configuración óptima, así como una mejora continua de la página Web. El hecho de continuar usando esta página Web significa que está aceptando al mismo tiempo la utilización de cookies. En nuestra Declaración de protección de datos encontrará más información sobre la temática de las cookies.Aceptación

Descripción del artículo/Imágenes del producto

DescripciónMaterial:Aluminio 6060 T5.
Manguito de POM.
Tornillo de ajuste de acero inoxidable.
Arandelas de apoyo de PA.
Pernos de fijación de acero.
Versión:Negro anodizado.
Pernos de fijación cincados.
Indicación:Las bisagras con momento de torsión permiten el posicionamiento de la puerta en cualquier posición dentro del ángulo deseado. La resistencia friccional se puede ajustar progresivamente mediante un tornillo de ajuste de 0-5 Nm.
Ángulo de apertura de 225º.

Máx. resistencia a la tracción: 6000 N
Máx. resistencia al cizallamiento: 5000 N

Los valores de carga de las bisagras indicados constituyen valores orientativos no vinculantes que no tienen en cuenta factores de seguridad y se proporcionan excluyendo cualquier tipo de responsabilidad. Estos valores se indican solo a título informativo y no representan una garantía sobre sus propiedades.
Los valores de carga se determinan con condiciones de laboratorio. Es competencia del usuario determinar individualmente si la bisagra es apta para la aplicación concreta.
Los valores determinados pueden resultar afectados por la amplia variedad de materiales en que van fijadas las bisagras, por los tipos de fijación, por las condiciones meteorológicas, así como por el desgaste.
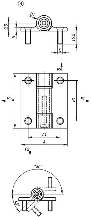
Rango de temperatura:De -20 °C a +80 °CAccesorios:Tornillos de cabeza cilíndrica con hexágono interior DIN 912/DIN EN ISO 4762.Indicación sobre el dibujo:
Forma A: fijación mediante tornillos de cabeza cilíndrica según DIN 912/DIN EN ISO 4762
Forma B: fijación mediante pernos roscados
DescargarAquí figura información recopilada en formato PDF:

¿Está buscando datos CAD? Los encontrará directamente en la tabla de productos.
 Ficha de datos 27860 Bisagras de aluminio con fricción ajustable 170 kB

Planos (vista completa)

Bisagras de aluminio con fricción ajustable

Bisagras de aluminio con fricción ajustable, forma A

Más información

Planos

Bisagras de aluminio con fricción ajustable, forma A

Selección/filtro de artículos

ReferenciaFormaAA1BB1D

D1SF1
N
F2
N
CADAcc.PrecioPedir
27860-55651A553865486,3184,589608070 566.48 MXN

Bisagras de aluminio con fricción ajustable, forma B

Más información

Planos

Bisagras de aluminio con fricción ajustable, forma B

Selección/filtro de artículos

ReferenciaFormaAA1BB1D

D1SF1
N
F2
N
CADAcc.PrecioPedir
27860-556511B55386548M6184,589608070 706.75 MXN
Mi norelemCorreo electrónicoContraseña
Cesta de la compra
Número de artículos: 0
Total: 0.00  MXN
mostrar
Pedido rápido / Comprobar disponibilidadPedir el artículo directamente o comprobar la disponibilidad.Mostrar
México
Mapa web Imprimir Recomendar Top
Copyright © 2025 norelem S.de RL. de. C.V. Todos los derechos reservados. Teléfono: +52 444 454 36 – 50