|
|
|
21161-30Placas adaptadoras para sistemas de posicionamiento |
Volver |
|
Descripción del artículo/Imágenes del producto |
|
|
DescripciónMaterial:Cuerpo base de aluminio.Versión:Aluminio anodizado.Indicación:Las placas adaptadoras para sistemas de posicionamiento se pueden emplear para conectar entre sí los más diversos tamaños de sistemas de posicionamiento.
Ejemplo: Mesas de posicionamiento cortas 21100-04, se pueden combinar con mesas de posicionamiento cortas 21100-08. Mesas de posicionamiento redondas 21160-12, se pueden combinar con mesas de posicionamiento redondas con accionamiento eléctrico coaxial 21085-120. Mesas de posicionamiento largas 21120-25, se pueden combinar con mesas de posicionamiento largas 21120-08.Características especiales: DescargarAquí figura información recopilada en formato PDF:
¿Está buscando datos CAD? Los encontrará directamente en la tabla de productos.
|
Placas adaptadoras para sistemas de posicionamiento, Forma A |
Más información |
Selección/filtro de artículos |
|
| Referencia | Forma | Tamaño | B | L | H | D | B1 | B2 | L1 | H1 | H2 | D1 | D2 | D3 | D4 | D5 | CAD | Acc. | Precio | Pedir |
|---|
| 21161-30-08046 | A | 8 | 46 | 36 | 6 | 10 | 22 | 36 | 22 | 4,4 | 3,4 | 8 | 4,5 | 6,5 | 3,4 | M3 |  | | 1,802.39 MXN | |
|
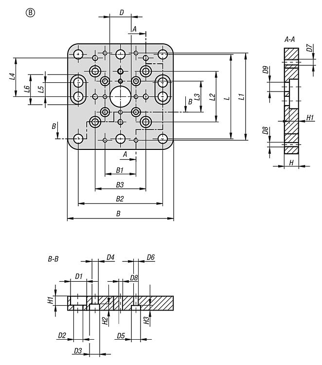
Placas adaptadoras para sistemas de posicionamiento, Forma B |
Más información |
Selección/filtro de artículos |
|
| Referencia | Forma | Tamaño | B | L | H | D | B1 | B2 | B3 | L2 | L1 | L3 | L4 | L5 | L6 | H1 | H2 | H3 | D1 | D2 | D3 | D4 | D5 | D6 | D7 | D8 | D9 | CAD | Acc. | Precio | Pedir |
|---|
| 21161-30-12075 | B | 12 | 75 | 60 | 10 | 15 | 22 | 60 | 36 | 36 | 62 | 22 | 27,5 | 10 | 21 | 6,4 | 4,4 | 3,4 | 11 | 6,6 | 8 | 4,5 | 6,5 | 3,4 | M4 | M03 | 6,6 |  | | 2,268.94 MXN | |
|
Placas adaptadoras para sistemas de posicionamiento, Forma C |
Más información |
Selección/filtro de artículos |
|
| Referencia | Forma | Tamaño | B | L | H | D | B1 | B2 | B3 | B4 | L2 | L1 | H1 | H2 | D1 | D2 | D3 | D4 | D5 | D6 | CAD | Acc. | Precio | Pedir |
|---|
| 21161-30-25150 | C | 25 | 150 | 130 | 15 | 40 | 60 | 130 | 138 | 110 | 36 | 60 | 10,6 | 6,4 | 18 | 11 | 11 | 6,6 | M6 | M4 |  | | 3,226.72 MXN | |
|
Otros artículos de esta categoría |
|
| Pedido rápido / Comprobar disponibilidadPedir el artículo directamente o comprobar la disponibilidad.Mostrar |
Ángulo de giro Vástago articulado sobre rótula con 30° de inclinación y escuadra |
|