|
|
|
42780-12Módulo de sujeción UNILOCK ESA 138 |
Volver |
|
Descripción del artículo/Imágenes del producto |
|
|
DescripciónMaterial:Acero de cementación.Versión:Superficies funcionales templadas por cementación y pulidas.Indicación:Los módulos de sujeción UNILOCK se pueden instalar en cualquier lugar de las mesas de máquinas o de los dispositivos (placas, centradores, torres, etc.) de forma que sobresalgan o no. Los módulos de sujeción UNILOCK ESA 138 son especialmente aptos para dispositivos de sujeción automatizados. La función integrada de consulta, así como las cuatro superficies en desfase con control de la instalación neumática pueden garantizar la seguridad de proceso en los sistemas de sujeción automatizados. De este modo se pueden consultar la posición "abierta/cerrada" de la corredera de sujeción y el control de apoyo del palé de sujeción en el módulo de sujeción. El rascador de suciedad impide que la suciedad se acumule en la superficie del módulo de sujeción. El control neumático de los módulos de sujeción se puede realizar de forma individual o conjunta. Así, es posible fabricar un sistema de sujeción de punto cero de forma individual. La estructura modular permite adaptar de forma óptima el número y la separación de los módulos de sujeción a los trabajos de sujeción. Los tiempos de preparación se reducen considerablemente y, por lo tanto, se amplían los tiempos de funcionamiento de las máquinas.
Las altas fuerzas de sujeción se generan a través del bloque de muelles integrado (la unidad está sujeta sin presión). El aflojamiento se realiza de forma neumática. Incluso en caso de una caída de presión o de fluctuaciones en el suministro de aire comprimido, se mantiene la fuerza de compresión completa.
Todos los módulos de sujeción tienen una función turbo incluida de serie. Un breve impulso de aire en la conexión de aire «turbo» vuelve a aumentar significativamente la fuerza de compresión normal, que se consigue con los muelles. Esto significa que los módulos de sujeción también son muy útiles para el mecanizado pesado.
Se recomienda el uso de la función turbo para obtener la máxima fuerza de compresión.
Con los pernos de sujeción UNILOCK en combinación con los tornillos de fijación M10, M12, M16 son posibles las siguientes fuerzas de retención: - Fuerza de retención (M10) 35.000 N - Fuerza de retención (M12) 50.000 N - Fuerza de retención (M16) 75.000 N Fuerza de retención con tornillo de cabeza cilíndrica DIN EN ISO 4762 -12.9.
Los pernos de sujeción solo está permitido sujetarlos en el módulo de sujeción junto con una unidad de cambio montada.
Con un tamaño de perno de sujeción universal para todos los módulos de sujeción y la compatibilidad con el sistema de sujeción de módulos de 5 ejes 80, se garantiza una gran variedad de combinaciones y posibilidades de aplicación.Datos técnicos:- Fuerza de compresión con turbo de 28 kN. - Presión del sistema: 6 bar, aire lubricado. - Precisión de repetición ≤ 0,005 mm. - Rango de temperatura de 5 a 60 °C. - Conexión opcional para el aire de limpieza.Ventajas:- Apto para automatización. - Función de consulta para la posición "abierta" de la corredera de sujeción. - Función de consulta para la posición "cerrada" de la corredera de sujeción. - Superficies de apoyo en desfase con control de la instalación neumática. - Rascador de suciedad. - Función turbo de serie. - Precisión de repetición ≤ 0,005 mm. - Posicionamiento mediante cono corto. - Fuerzas de compresión elevadas. - Optimización del tiempo de preparación.Accesorios:- Perno de sujeción de UNILOCK 42208, 42209, 42208-05, 42208-10. - UNILOCK perno protector para módulos de sujeción 42796.Tener en cuenta:Recomendación de la anchura nominal del tubo: - Hasta cuatro módulos de sujeción, con anchura nominal de tubo de 6 mm. - A partir de cinco módulos de sujeción, con una anchura nominal de tubo de 8 mm.Principio de función:Los módulos de sujeción se pueden conectar a través de las conexiones de la placa de base o directamente en el módulo de sujeción en la conexión roscada.
Para asegurar la función de las correderas de sujeción, la ventilación de la cámara superior del pistón debe realizarse a través de la conexión de aire «turbo».
Para ello, existen cuatro posibilidades:
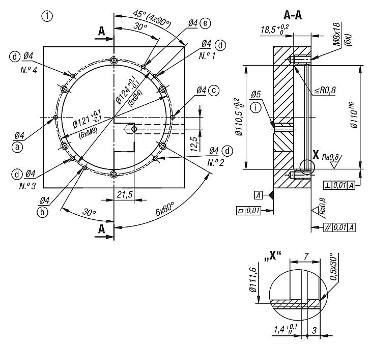
1) Conectar y utilizar la función turbo en la placa de base junto a la conexión «abrir». De este modo, si es necesario, se puede retensar el módulo de sujeción mediante un breve impulso de aire. (Recomendado) 2) Realizar un sencillo orificio para el escape de aire en la placa de base que está conectada a la conexión turbo. Para sellar el orificio contra la suciedad, no utilice una conexión con función de bloqueo, sino un tornillo de ventilación. 3) Como tercera opción, la cámara del pistón se debe ventilar a través de un orificio que está conectado por debajo de la placa de base mediante una ranura transversal. El orificio debe coincidir con la conexión del turbo para que se pueda producir la ventilación. 4) Si el módulo de sujeción se controla de forma lateral, el único tornillo de ventilación se debe introducir también en este punto.Volumen de suministro- 1x módulo de sujeción. - 2x juntas tóricas Ø9x1,50 para la alimentación de medios. - 6x juntas tóricas de Ø9x1,50 para funciones de consulta. - 6x tornillos de fijación. - 6x caperuzas protectoras para tornillos de fijación.Indicación sobre el dibujo:1) Contorno de instalación
a) Conexión inferior sin manguera (abrir) Junta tórica Ø9x1,5 b) Conexión inferior sin manguera (Turbo) Junta tórica Ø9x1,5 c) Reborde de centrado d) Ventilación e) Conexión inferior sin manguera (función de consulta, posición de corredera abierta) Junta tórica Ø9x1,5, 2 bar, 15 l/min f) Conexión lateral G1/8 (accionamiento abrir) g) Conexión lateral G1/8 (Turbo) h) Conexión inferior sin manguera (función de consulta, posición de corredera cerrada) Junta tórica Ø9x1,5, 2 bar, 15 l/min i) Conexión inferior sin manguera (control de sistema) Junta tórica Ø9x1,5
Características especiales: DescargarAquí figura información recopilada en formato PDF:
¿Está buscando datos CAD? Los encontrará directamente en la tabla de productos.
|
Selección/filtro de artículos |
|
| Referencia | B | D | D1 | D2 | G | H | H1 | H2 | H3 | H4 | H5 | L | L1 | SW | P=Presión de servicio bar | Fuerza de compresión con Turbo kN | CAD | Acc. | Precio | Pedir |
|---|
| 42780-12-138390 | 15 | 138 | 110 | 144 | M8 | 55,7 | 39 | 18,1 | 16 | 7 | 11,5 | 24 | 62 | 6 | 6 | 28 |  | | 47,558.00 MXN | |
Otros artículos de esta categoría |
|
| Pedido rápido / Comprobar disponibilidadPedir el artículo directamente o comprobar la disponibilidad.Mostrar |
|