norelem emplea cookies con vistas a una configuración óptima, así como una mejora continua de la página Web. El hecho de continuar usando esta página Web significa que está aceptando al mismo tiempo la utilización de cookies. En nuestra Declaración de protección de datos encontrará más información sobre la temática de las cookies.Aceptación
Mordazas de sujeción cuña de acero con sobremedida para el mecanizado, superficies de cuña rectificadas o acanaladas
04526

Mordazas de sujeción cuña de acero con sobremedida para el...

Volver

Descripción del artículo/Imágenes del producto

DescripciónMaterial:Cuerpo base de acero para herramientas.
Segmentos de sujeción de acero para herramientas (30 HRC).
Versión:Cuerpo base endurecido.
Segmentos de sujeción bruñidos.
Superficies de sujeción pulidas.
Indicación:La peculiaridad de las mordazas de sujeción reside en la sobremedida para el mecanizado de 3 mm por cada mordaza de sujeción en la versión 04526-08 y de 5 mm en las versiones 04526-12 y 04526-16.
Esta sobremedida de longitud hace que se puedan integrar formas adaptadas a la forma geométrica de la pieza de trabajo (ver fig.).

Las mordazas de sujeción de la versión 04526-08 y 04526-0810 no tienen ninguna acanaladura.

Recorrido de desplazamiento con referencia:
04526-08 = ±0,5 mm
04526-12 = ±1,0 mm
04526-16 = ±1,5 mm
A petición:Segmentos de sujeción con forma integrada o con otra dureza.Indicación sobre el dibujo:
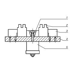
D) Tornillo de cabeza cilíndrica DIN 912

1) Mordaza de sujeción
2) Pieza de trabajo
3) Pieza de retención
4) Placa de base
5) Cilindro neumático/hidráulico
DescargarAquí figura información recopilada en formato PDF:

¿Está buscando datos CAD? Los encontrará directamente en la tabla de productos.
 Ficha de datos 04526 Mordazas de sujeción cuña de acero con sobremedida para el mecanizado, superficies de cuña rectificadas o acanaladas 251 kB

Planos

Mordazas de sujeción cuña de acero con sobremedida para el mecanizado, superficies de cuña rectificadas o acanaladas

Selección/filtro de artículos

ReferenciaA
mín.
A
máx.
B

B1CDEVersión 2GFuerza de
sujeción
máx. kN
Par de
apriete
máx. Nm
CADAcc.PrecioPedir
04526-083337292115M8X252,5para perforación roscadaM81525 3,975.31 MXN
04526-08103337292115M8X252,5Para ranura en T101525 3,975.31 MXN
04526-125259413022M12X404para perforación roscadaM123085 5,981.18 MXN
04526-12145259413022M12X304Para ranura en T143085 5,981.18 MXN
04526-166776564229M16X605para perforación roscadaM1650210 8,082.45 MXN
04526-16186776564229M16X505Para ranura en T1850210 8,082.45 MXN
Mi norelemCorreo electrónicoContraseña
Cesta de la compra
Número de artículos: 0
Total: 0.00  MXN
mostrar
Pedido rápido / Comprobar disponibilidadPedir el artículo directamente o comprobar la disponibilidad.Mostrar
México
Mapa web Imprimir Recomendar Top
Copyright © 2025 norelem S.de RL. de. C.V. Todos los derechos reservados. Teléfono: +52 444 454 36 – 50