norelem emplea cookies con vistas a una configuración óptima, así como una mejora continua de la página Web. El hecho de continuar usando esta página Web significa que está aceptando al mismo tiempo la utilización de cookies. En nuestra Declaración de protección de datos encontrará más información sobre la temática de las cookies.Aceptación
Torres de sujeción de fundición gris de 8 caras con perforaciones de retícula
01856

Torres de sujeción de fundición gris de 8 caras con...

Volver

Descripción del artículo/Imágenes del producto

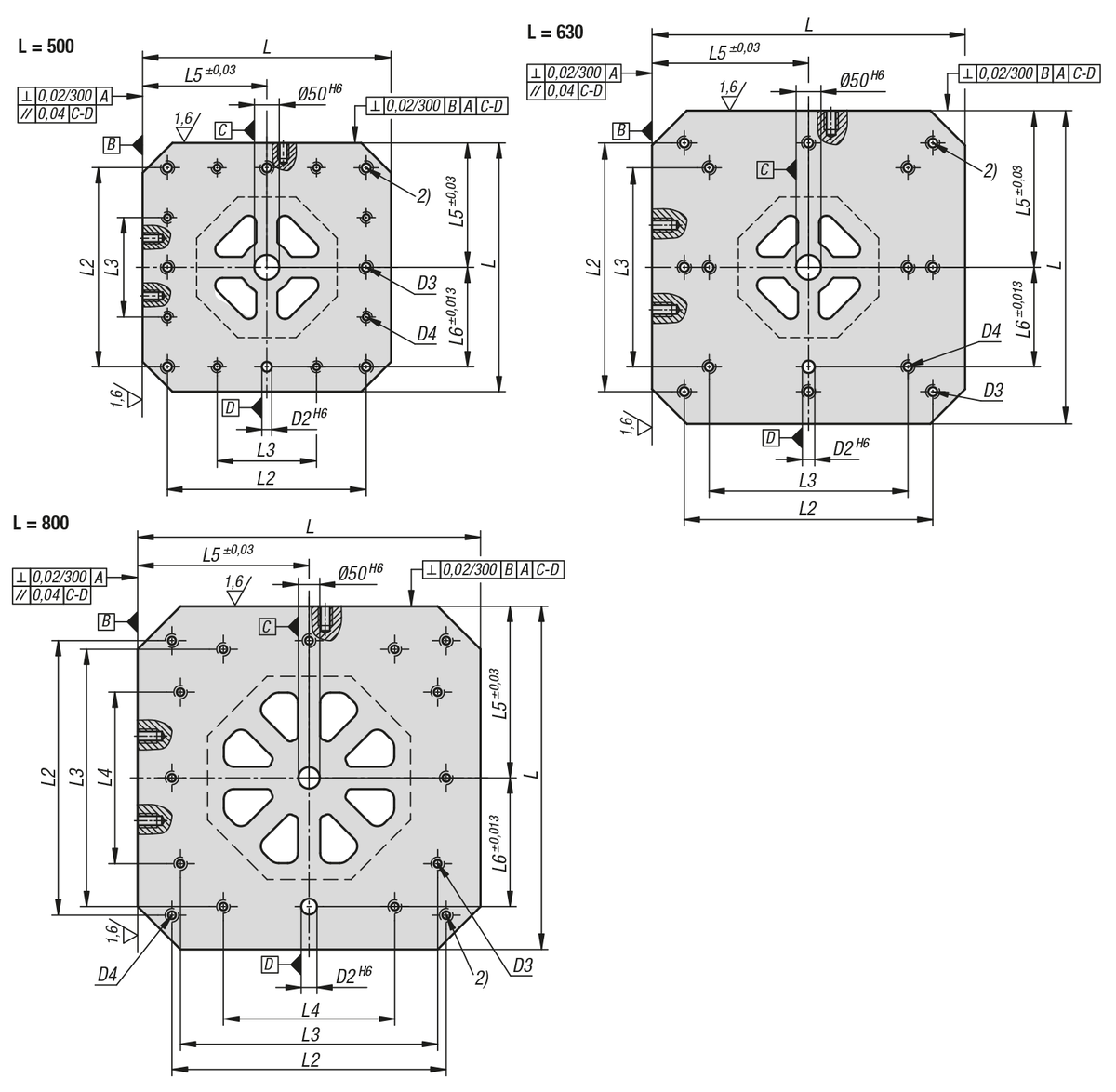
DescripciónMaterial:GJL 300.Versión:Superficies de apoyo y superficies de sujeción con mecanizado de precisión.Indicación:Distancia entre retículas 50 ±0,02 mm.
Se utilizan torres de sujeción con perforaciones de retícula en centros de mecanizado horizontales.
Las perforaciones de retícula etiquetadas de forma alfanumérica garantizan una asignación definida de los elementos de sujeción en caso de repetición.
Las torres de sujeción se adaptan a mesas de máquinas para máquinas-herramienta según DIN 55201 y JIS6337-1980.
Los bulones de posicionamiento para fijar las paletas en las mesas de máquinas según DIN 55201 deben solicitarse por separado.
Los tapones protectores para cerrar las perforaciones de retícula deben solicitarse por separado.
El suministro incluye tornillos con ojo para el transporte.
Otras dimensiones a petición.
A petición:Otras dimensiones.Indicación sobre el dibujo:
1) Perforación de retícula
2) Perforación de pasada para tornillo de cabeza cilíndrica DIN 912 (D3/D4)
Características especiales:
RoHS

Planos

Torres de sujeción de fundición gris de 8 caras con perforaciones de retícula
Torres de sujeción de fundición gris de 8 caras con perforaciones de retícula

Selección/filtro de artículos

ReferenciaLH

L1DD1D2D3D4D5H1L2L3L4L5L6L7L8Número de
perforaciones
de retícula
NL=Cantidad
en dirección
longitudinal
NB=Cantidad
en dirección
transversal
CADAcc.PrecioPedir
01856-2124005040050025012M1220M16M12M16503203002002001505510312817 120,099.00 MXN
01856-2124006540065025012M1220M16M12M165032030020020015055103176110 149,807.70 MXN
01856-2125006050060030012M1220M16M12M1650400200-2502007512416019 158,386.20 MXN
01856-2125007550075030012M1220M16M12M1650400200-25020075124208112 189,419.30 MXN
01856-2126307063070035012M1225M16M16M1650500400-315200100145192111 209,887.30 MXN
01856-2126308563085035012M1225M16M16M1650500400-315200100145240114 244,201.30 MXN
01856-2128008080080050012M1225M16M16M1650640600400400300135207448313 343,170.10 MXN
01856-21280100800100050012M1225M16M16M1650640600400400300135207576317 415,771.30 MXN
01856-2164005040050025016M1620M16M12M16503203002002001505510312817 122,085.60 MXN
01856-2164006540065025016M1620M16M12M165032030020020015055103176110 151,794.30 MXN
01856-2165006050060030016M1620M16M12M1650400200-2502007512416019 160,372.80 MXN
01856-2165007550075030016M1620M16M12M1650400200-25020075124208112 195,349.00 MXN
01856-2166307063070035016M1625M16M16M1650500400-315200100145192111 212,506.00 MXN
01856-2166308563085035016M1625M16M16M1650500400-315200100145240114 247,512.30 MXN
01856-2168008080080050016M1625M16M16M1650640600400400300135207448313 349,822.20 MXN
01856-21680100800100050016M1625M16M16M1650640600400400300135207576317 423,717.70 MXN
Mi norelemCorreo electrónicoContraseña
Cesta de la compra
Número de artículos: 0
Total: 0.00  MXN
mostrar
Pedido rápido / Comprobar disponibilidadPedir el artículo directamente o comprobar la disponibilidad.Mostrar
México
Mapa web Imprimir Recomendar Top
Copyright © 2025 norelem S.de RL. de. C.V. Todos los derechos reservados. Teléfono: +52 444 454 36 – 50