norelem emplea cookies con vistas a una configuración óptima, así como una mejora continua de la página Web. El hecho de continuar usando esta página Web significa que está aceptando al mismo tiempo la utilización de cookies. En nuestra Declaración de protección de datos encontrará más información sobre la temática de las cookies.Aceptación

Descripción del artículo/Imágenes del producto

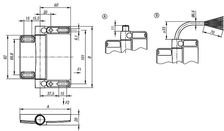
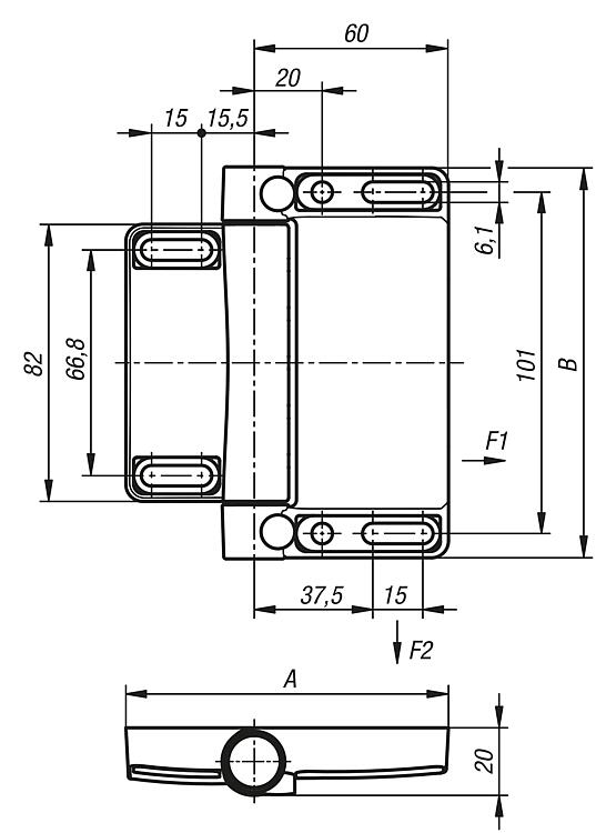
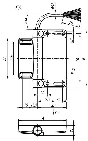
DescripciónDescripción del producto:Los interruptores de seguridad de bisagra sirven para controlar la posición de puertas de protección, tapas de protección y cubiertas de protección giratorias. El control del dispositivo protector se realiza directamente dentro de la bisagra.
En los modelos con ajuste previo universal, el ángulo de conmutación puede ajustarse libremente a lo largo de todo el rango de servicio. Una ayuda de montaje facilita un ajuste rápido en puertas y marcos.

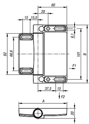
Las bisagras adicionales tienen el mismo aspecto y las mismas medidas que los interruptores de seguridad de bisagra.
Material:Carcasa de fundición inyectada de cinc.
Cubierta de carcasa de plástico incombustible.
Perno de charnela de fundición inyectada de cinc/acero C45.
Contactos de aleación de plata y níquel.
Indicación:Los valores de carga indicados constituyen valores orientativos no vinculantes que no tienen en cuenta factores de seguridad y se proporcionan excluyendo cualquier tipo de responsabilidad. Estos valores se indican solo a título informativo y no representan una garantía sobre sus propiedades.

Los valores de carga se determinan con condiciones de laboratorio. Se debe determinar individualmente si la bisagra es apta para la aplicación concreta.

Los valores determinados pueden resultar afectados por la amplia variedad de materiales en que van fijadas las bisagras, por los tipos de fijación, por las condiciones meteorológicas, así como por el desgaste.

Datos técnicos:Véanse Descargas, Indicación técnica.Aplicación:- Máquinas herramienta especiales
- Industria eléctrica
- Máquinas de embalaje
- Vallas, cercados/sistemas de perfiles
- Máquinas herramienta
- Tecnología de medición, procesos, ensayos y laboratorios
Montaje:4 x tornillos cilíndricos M6 DIN 7984 o ISO 4762
Par de apriete 4,3 Nm
Para las observaciones generales de montaje, ver las Instrucciones de manejo incluidas en el suministro.
Ventajas:- Indicado para proteger puertas oscilantes
- Esfuerzo de montaje mínimo sobre todo en perfiles de aluminio corrientes
- Integración óptima en la estructura de entorno
- Protección amplia contra manipulación
- Desgaste mecánico mínimo
Accesorios:Para forma A
Conectores macho, casquillo M12x1 con cierre de rosca 80150-10.
Características especiales:
DescargarAquí figura información recopilada en formato PDF:

¿Está buscando datos CAD? Los encontrará directamente en la tabla de productos.
 Ficha de datos 27951 Interruptores de seguridad de bisagra versión alargada 311 kB
 Indicación técnica para soporte de bisagra de seguridad 449 kB

Planos (vista completa)

Interruptores de seguridad de bisagra versión alargada

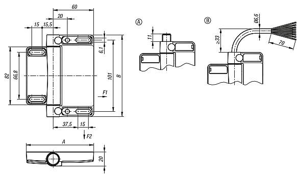
Interruptor de seguridad de bisagra versión alargada, forma A

Más información

Planos

Interruptor de seguridad de bisagra versión alargada, forma A

Selección/filtro de artículos

ReferenciaABAjuste
previo
ContactosTipo de
conexión
Posición
de conexión
F1
N
F2
N
CADAcc.PrecioPedir
27951-98116111198116montaje externo1C / 2Aconector machoabajo50005000 4,197.45 MXN
27951-98116111298116montaje externo1C / 2Aconector machoarriba50005000 4,197.45 MXN
27951-98116211198116universal1C / 2Aconector machoabajo50005000 4,197.45 MXN
27951-98116211298116universal1C / 2Aconector machoarriba50005000 4,197.45 MXN

Interruptor de seguridad de bisagra versión alargada, forma B

Más información

Planos

Interruptor de seguridad de bisagra versión alargada, forma B

Selección/filtro de artículos

ReferenciaABAjuste
previo
ContactosTipo de
conexión
Posición
de conexión
F1
N
F2
N
CADAcc.PrecioPedir
27951-98116112198116montaje externo1C / 2Acableabajo50005000 4,197.45 MXN
27951-98116112298116montaje externo1C / 2Acablearriba50005000 4,197.45 MXN
27951-98116212298116universal1C / 2Acablearriba50005000 4,197.45 MXN

Interruptor de seguridad de bisagra versión alargada, bisagra adicional

Más información

Planos

Interruptor de seguridad de bisagra versión alargada, bisagra adicional

Selección/filtro de artículos

ReferenciaA

BF1
N
F2
N
CADAcc.PrecioPedir
27951-981169811650005000 1,326.81 MXN
Mi norelemCorreo electrónicoContraseña
Cesta de la compra
Número de artículos: 0
Total: 0.00  MXN
mostrar
Pedido rápido / Comprobar disponibilidadPedir el artículo directamente o comprobar la disponibilidad.Mostrar
México
Mapa web Imprimir Recomendar Top
Copyright © 2025 norelem S.de RL. de. C.V. Todos los derechos reservados. Teléfono: +52 444 454 36 – 50