norelem emplea cookies con vistas a una configuración óptima, así como una mejora continua de la página Web. El hecho de continuar usando esta página Web significa que está aceptando al mismo tiempo la utilización de cookies. En nuestra Declaración de protección de datos encontrará más información sobre la temática de las cookies.Aceptación

Descripción del artículo/Imágenes del producto

Consultar/filtrar todos los artículos
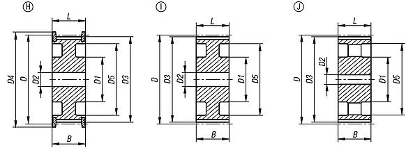
DescripciónMaterial:Acero o fundición gris.Versión:Fosfatado.Indicación:Perfil HTD estándar con división métrica (dentado semicircular). Al menos una de las poleas de correa dentada debe disponer de coronas. Las poleas de correa dentada disponen de un agujero de centrado o están preperforadas (esto puede variar en función de la técnica de producción). Por eso, la medida D2 indicada en la tabla constituye el valor máximo de la perforación con la que se suministran las poleas de correa dentada. En esta perforación previa / perforación de centrado, el cliente puede realizar un agujero de referencia, un agujero de referencia con ranura o una perforación roscada. Alternativamente, el cliente puede utilizar también casquillos para reducir el diámetro.

En las poleas de correa dentada de fundición gris, el número de radios puede variar.
Características especiales:
RoHS
DescargarAquí figura información recopilada en formato PDF:

¿Está buscando datos CAD? Los encontrará directamente en la tabla de productos.
 Ficha de datos 22004 Poleas de correas dentadas Perfil HTD 8M 264 kB
 Indicación técnica para correas dentadas 22062 727 kB

Planos (vista completa)

Poleas de correas dentadas Perfil HTD 8M
Poleas de correas dentadas Perfil HTD 8M

Poleas de correas dentadas perfil HTD 8M para una anchura de correa de 20 mm

Más información

Planos

Poleas de correas dentadas perfil HTD 8M para una anchura de correa de 20 mm

Selección/filtro de artículos

ReferenciaFormaMaterial
del cuerpo
de base
Número
de
dientes
DD1
máx.
D2
máx.
D3D4
máx.
D5BLCADAcc.PrecioPedir
22004-0820018Aacero1845,84321244,4651-2838 329.29 MXN
22004-0820020Aacero2050,93361249,5657-2838 361.80 MXN
22004-0820022Aacero2256,02431254,6562-2838 376.56 MXN
22004-0820024Aacero2461,12491259,7467-2838 423.51 MXN
22004-0820026Aacero2666,21501264,8473-2838 461.44 MXN
22004-0820028Aacero2871,3551469,9377-2838 506.28 MXN
22004-0820030Aacero3076,39601475,0284-2838 550.23 MXN
22004-0820032Aacero3281,49641480,1288-2838 573.10 MXN
22004-0820034Aacero3486,58701485,2194-2838 601.71 MXN
22004-0820036Aacero3691,67751490,398-2838 644.14 MXN
22004-0820038Aacero3896,77801495,39104-2838 681.77 MXN
22004-0820040Aacero40101,868514100,49108-2838 728.73 MXN
22004-0820044Afundición gris44112,059614110,67121-2838 869.29 MXN
22004-0820048Afundición gris48122,2310414120,86129-2838 932.81 MXN
22004-0820056Bfundición gris56142,68014141,231501172838 1,185.94 MXN
22004-0820060Bfundición gris60152,798014151,421581272838 1,380.09 MXN
22004-0820064Bfundición gris64162,978014161,61681372838 1,380.09 MXN
22004-0820072Bfundición gris72183,358018181,971921582838 1,565.80 MXN
22004-0820080Efundición gris80203,729014202,35-1792838 1,610.66 MXN
22004-0820084Efundición gris84213,99014212,53-1902838 1,817.75 MXN
22004-0820090Efundición gris90229,189014227,81-2042838 1,817.75 MXN
22004-0820112Efundición gris112285,219020283,83-2602838 1,974.56 MXN
22004-0820144Efundición gris144366,699020365,32-3422838 3,195.42 MXN
22004-0820168Efundición gris168427,810020426,42-4032838 3,363.08 MXN
22004-0820192Efundición gris192488,9210020487,54-4652838 4,319.66 MXN

Poleas de correas dentadas perfil HTD 8M para una anchura de correa de 30 mm

Más información

Planos

Poleas de correas dentadas perfil HTD 8M para una anchura de correa de 30 mm

Selección/filtro de artículos

ReferenciaFormaMaterial
del cuerpo
de base
Número
de
dientes
DD1
máx.
D2
máx.
D3D4
máx.
D5BLCADAcc.PrecioPedir
22004-0830018Aacero1845,84321244,4651-3848 399.43 MXN
22004-0830020Aacero2050,93361249,5657-3848 439.77 MXN
22004-0830022Aacero2256,02431254,6562-3848 470.47 MXN
22004-0830024Aacero2461,12491259,7467-3848 491.54 MXN
22004-0830026Aacero2666,21501264,8473-3848 536.38 MXN
22004-0830028Aacero2871,3551469,9377-3848 559.26 MXN
22004-0830030Aacero3076,39601475,0284-3848 620.97 MXN
22004-0830032Aacero3281,49641480,1288-3848 685.68 MXN
22004-0830034Aacero3486,58701485,2194-3848 704.65 MXN
22004-0830036Aacero3691,67751490,398-3848 744.38 MXN
22004-0830038Aacero3896,77801495,39104-3848 795.84 MXN
22004-0830040Aacero40101,868514100,49108-3848 844.91 MXN
22004-0830044Afundición gris44112,059614110,67121-3848 891.56 MXN
22004-0830048Afundición gris48122,2310414120,86129-3848 1,099.85 MXN
22004-0830056Bfundición gris56142,69014141,231501173848 1,373.47 MXN
22004-0830060Bfundición gris60152,799014151,421581273848 1,657.91 MXN
22004-0830064Bfundición gris64162,979014161,61681373848 1,657.91 MXN
22004-0830072Bfundición gris72183,359514181,971921583848 1,819.85 MXN
22004-0830080Efundición gris80203,7210014202,35-1793848 1,975.16 MXN
22004-0830084Efundición gris84213,910014212,53-1903848 2,317.70 MXN
22004-0830090Efundición gris90229,1810014227,81-2043848 2,317.70 MXN
22004-0830112Efundición gris112285,2110020283,83-2603848 2,259.91 MXN
22004-0830144Efundición gris144366,6910020365,32-3423848 3,593.65 MXN
22004-0830168Efundición gris168427,810020426,42-4033848 3,793.80 MXN
22004-0830192Efundición gris192488,9210020487,54-4653848 4,632.99 MXN

Poleas de correas dentadas perfil HTD 8M para una anchura de correa de 50 mm

Más información

Planos

Poleas de correas dentadas perfil HTD 8M para una anchura de correa de 50 mm
Poleas de correas dentadas perfil HTD 8M para una anchura de correa de 50 mm

Selección/filtro de artículos

ReferenciaFormaMaterial
del cuerpo
de base
Número
de
dientes
DD1
máx.
D2
máx.
D3D4
máx.
D5BLCADAcc.PrecioPedir
22004-0850018Aacero1845,84321244,4651-6070 459.03 MXN
22004-0850020Aacero2050,93361249,5657-6070 472.57 MXN
22004-0850022Aacero2256,02431254,6562-6070 478.30 MXN
22004-0850024Aacero2461,12491259,7467-6070 505.08 MXN
22004-0850026Aacero2666,21501264,8473-6070 560.46 MXN
22004-0850028Aacero2871,3551469,9377-6070 636.62 MXN
22004-0850030Aacero3076,39601475,0284-6070 647.15 MXN
22004-0850032Aacero3281,49641480,1288-6070 715.48 MXN
22004-0850034Aacero3486,58701485,2194-6070 761.84 MXN
22004-0850036Aacero3691,67751490,398-6070 800.66 MXN
22004-0850038Aacero3896,77801495,39104-6070 873.81 MXN
22004-0850040Aacero40101,868514100,49108-6070 941.53 MXN
22004-0850044Afundición gris44112,059614110,67121-6070 1,070.66 MXN
22004-0850048Afundición gris48122,2310414120,86129-6070 1,378.89 MXN
22004-0850056Hfundición gris56142,69018141,231501176060 1,426.45 MXN
22004-0850060Hfundición gris60152,7910018151,421581276060 1,779.51 MXN
22004-0850064Hfundición gris64162,9710018161,61681376060 2,063.36 MXN
22004-0850072Hfundición gris72183,3510018181,971921586060 2,830.00 MXN
22004-0850080Ifundición gris80203,7211018202,35-1796060 2,124.46 MXN
22004-0850090Jfundición gris90229,1811018227,81-2046060 3,146.36 MXN
22004-0850112Jfundición gris112285,2111020283,83-2606060 3,929.56 MXN
22004-0850144Jfundición gris144366,6911020365,32-3426060 4,156.21 MXN
22004-0850168Jfundición gris168427,812020426,42-4036060 5,048.68 MXN
22004-0850192Jfundición gris192488,9213020487,54-4656060 7,404.91 MXN
Mi norelemCorreo electrónicoContraseña
Cesta de la compra
Número de artículos: 0
Total: 0.00  MXN
mostrar
Pedido rápido / Comprobar disponibilidadPedir el artículo directamente o comprobar la disponibilidad.Mostrar
México
Mapa web Imprimir Recomendar Top
Copyright © 2025 norelem S.de RL. de. C.V. Todos los derechos reservados. Teléfono: +52 444 454 36 – 50