norelem emplea cookies con vistas a una configuración óptima, así como una mejora continua de la página Web. El hecho de continuar usando esta página Web significa que está aceptando al mismo tiempo la utilización de cookies. En nuestra Declaración de protección de datos encontrará más información sobre la temática de las cookies.Aceptación

Descripción del artículo/Imágenes del producto

Consultar/filtrar todos los artículos
DescripciónMaterial:Acero.
Poleas de correas dentadas sin corona de la polea de aluminio.
Versión:Acero fosfatado.
Aluminio con acabado natural.
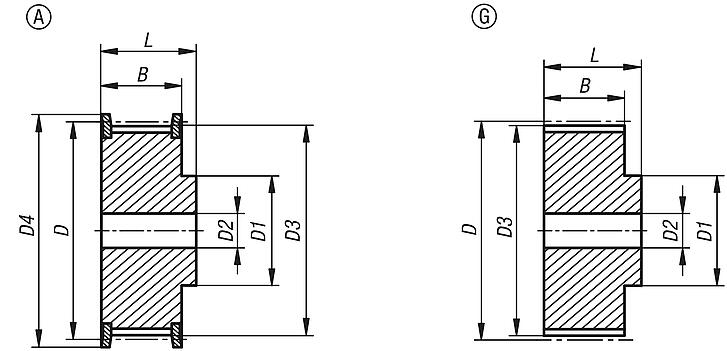
Indicación:Perfil HTD estándar con división métrica (dentado semicircular). Al menos una de las poleas de correa dentada debe disponer de coronas. Las poleas de correa dentada disponen de un agujero de centrado o están preperforadas (esto puede variar en función de la técnica de producción). Por eso, la medida D2 indicada en la tabla constituye el valor máximo de la perforación con la que se suministran las poleas de correa dentada. En esta perforación previa / perforación de centrado, el cliente puede realizar un agujero de referencia, un agujero de referencia con ranura o una perforación roscada. Alternativamente, el cliente puede utilizar también casquillos para reducir el diámetro.
Las poleas de correa dentada, por razones de peso, pueden tener una concavidad en las superficies planas.
Características especiales:
RoHS
DescargarAquí figura información recopilada en formato PDF:

¿Está buscando datos CAD? Los encontrará directamente en la tabla de productos.
 Ficha de datos 22004 Poleas de correas dentadas perfil HTD 5M 195 kB
 Indicación técnica para correas dentadas 22062 727 kB

Planos (vista completa)

Poleas de correas dentadas perfil HTD 5M

Poleas de correas dentadas perfil HTD 5M para una anchura de correa de 15 mm

Más información

Planos

Poleas de correas dentadas perfil HTD 5M para una anchura de correa de 15 mm

Selección/filtro de artículos

ReferenciaAnchura de correaFormaMaterial
del cuerpo
de base
Número
de
dientes
DD1
máx.
D2
máx.
D3D4
máx.
BLCADAcc.PrecioPedir
22004-05151215Aacero1219,113617,962320,526 164.05 MXN
22004-05151415Aacero1422,2814621,142520,526 191.74 MXN
22004-05151515Aacero1523,8716622,732820,526 198.37 MXN
22004-05151615Aacero1625,4716,5624,322820,526 205.59 MXN
22004-05151815Aacero1828,6520627,513220,526 219.44 MXN
22004-05152015Aacero2031,8323630,693620,526 234.78 MXN
22004-05152115Aacero2133,4224632,283820,526 243.21 MXN
22004-05152215Aacero2235,0125,5633,873920,526 246.53 MXN
22004-05152415Aacero2438,1927637,064220,528 282.04 MXN
22004-05152615Aacero2641,3830640,244620,528 297.99 MXN
22004-05152815Aacero2844,5630,5643,425020,528 301.60 MXN
22004-05153015Aacero3047,7535846,615120,528 344.95 MXN
22004-05153215Aacero3250,9338849,795520,528 380.77 MXN
22004-05153615Aacero3657,338856,166220,528 411.77 MXN
22004-05154015Aacero4063,6638862,527120,528 470.47 MXN
22004-05154415Galuminio4470,0338868,89-20,530 576.11 MXN
22004-05154815Galuminio4876,3945875,25-20,530 641.73 MXN
22004-05156015Galuminio6095,4950894,35-20,530 795.84 MXN
22004-05157215Galuminio72114,59508113,45-20,530 952.36 MXN

Poleas de correas dentadas perfil HTD 5M para una anchura de correa de 25 mm

Más información

Planos

Poleas de correas dentadas perfil HTD 5M para una anchura de correa de 25 mm

Selección/filtro de artículos

ReferenciaAnchura de correaFormaMaterial
del cuerpo
de base
Número
de
dientes
DD1
máx.
D2
máx.
D3D4
máx.
BLCADAcc.PrecioPedir
22004-05251225Aacero1219,113617,96233036 219.44 MXN
22004-05251425Aacero1422,2814621,14253036 246.53 MXN
22004-05251525Aacero1523,8716622,73283036 254.35 MXN
22004-05251625Aacero1625,4716,5624,32283036 256.76 MXN
22004-05251825Aacero1828,6520627,51323036 274.51 MXN
22004-05252025Aacero2031,8323630,69363036 282.04 MXN
22004-05252125Aacero2133,4224632,28383038 315.45 MXN
22004-05252225Aacero2235,0125,5633,87393038 321.17 MXN
22004-05252425Aacero2438,1927637,06423038 352.77 MXN
22004-05252625Aacero2641,3830640,24463038 386.48 MXN
22004-05252825Aacero2844,5630,5643,42503038 409.36 MXN
22004-05253025Aacero3047,7535846,61513038 431.03 MXN
22004-05253225Aacero3250,9338849,79553038 487.02 MXN
22004-05253625Aacero3657,338856,16623038 529.47 MXN
22004-05254025Aacero4063,6638862,52713038 607.42 MXN
22004-05254425Galuminio4470,0338868,89-3040 740.77 MXN
22004-05254825Galuminio4876,3945875,25-3040 799.76 MXN
22004-05256025Galuminio6095,4950894,35-3040 1,028.52 MXN
22004-05257225Galuminio72114,59508113,45-3040 1,263.30 MXN
Mi norelemCorreo electrónicoContraseña
Cesta de la compra
Número de artículos: 0
Total: 0.00  MXN
mostrar
Pedido rápido / Comprobar disponibilidadPedir el artículo directamente o comprobar la disponibilidad.Mostrar
México
Mapa web Imprimir Recomendar Top
Copyright © 2025 norelem S.de RL. de. C.V. Todos los derechos reservados. Teléfono: +52 444 454 36 – 50