norelem emplea cookies con vistas a una configuración óptima, así como una mejora continua de la página Web. El hecho de continuar usando esta página Web significa que está aceptando al mismo tiempo la utilización de cookies. En nuestra Declaración de protección de datos encontrará más información sobre la temática de las cookies.Aceptación
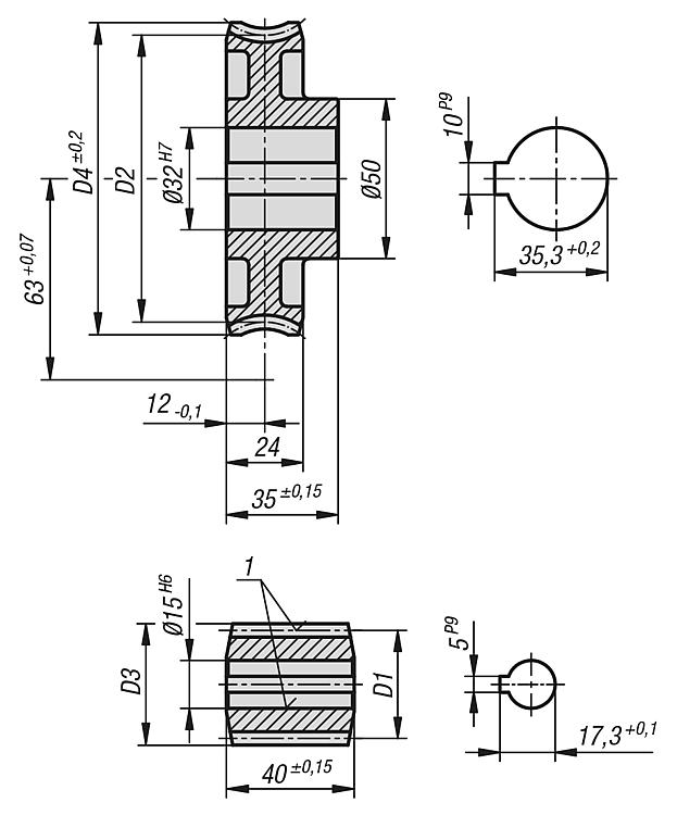
Conjuntos de rueda helicoidal de paso derecho Distancia entre ejes de 63 mm
22500

Conjuntos de rueda helicoidal de paso derecho Distancia entre...

Volver

Descripción del artículo/Imágenes del producto

DescripciónMaterial:Tornillo sinfín de acero.
Rueda helicoidal de CuZn37Mn3Al2PbSi-S40.
Versión:Tornillo sinfín de avance derecho, templado por cementación HV 620 – 700, cantos y perforación pulidos.Indicación de pedido:Las ruedas/tornillos sinfín solo se pueden combinar con la misma distancia entre ejes y la misma relación de transmisión respecto a un conjunto de rueda helicoidal.Indicación:Los conjuntos de rueda helicoidal están formados por un tornillo sinfín, y una rueda helicoidal. Sirven para fabricar engranajes helicoidales con eje en ángulo de 90º. Con un engranaje helicoidal se pueden realizar con una sola etapa reducciones a lento muy amplias.

El dentado presenta laterales en forma de K y su ángulo de ataque es de 15º. Los conjuntos de rueda helicoidal se suministran ya perforados.

Los pares de salida T2 indicados son los pares permitidos para la rueda helicoidal. Son aplicables a una velocidad de entrada al tornillo sinfín de 2800 rpm.

El conjunto de rueda helicoidal 22500-351002 / 22500-352002 solo está disponible con perfil de sinfín pulido (alisado), ángulo de presión de 20° y rueda con dentado de engrane helicoidal.

Indicación sobre el dibujo:
1) Pulido
Características especiales:
RoHS
DescargarAquí figura información recopilada en formato PDF:

¿Está buscando datos CAD? Los encontrará directamente en la tabla de productos.
 Ficha de datos 22500 Conjuntos de rueda helicoidal de paso derecho Distancia entre ejes de 63 mm 734 kB
 Indicación técnica para juegos de engranajes de tornillo sinfín 300 kB

Planos

Conjuntos de rueda helicoidal de paso derecho Distancia entre ejes de 63 mm

Selección/filtro de artículos

ReferenciaImagenDescripciónRelación de transmisiónÁngulo de pendienteMóduloZ1D1D3Z2D2D4Par de salida T2
(Nm)
Grasa mineral
Par de salida T2
(Nm)
Aceite mineral
Par de salida T2
(Nm)
Aceite sintético
CADAcc.PrecioPedir
22500-531004Sin Fin-25° 513,5432,139,1------ 1,599.22 MXN
22500-632006Rueda Helicoidal6:125° 513,5---2493,910489107134 2,774.62 MXN
22500-531008Sin Fin-13° 522,5331,2936,29------ 1,599.22 MXN
22500-632012Rueda Helicoidal12:113° 522,5---3694,71104141170212 2,774.62 MXN
22500-631019Sin Fin-10° 82,5228,433,4------ 1,599.22 MXN
22500-632019Rueda Helicoidal19:110° 82,5---3897,6104133159199 2,774.62 MXN
22500-531019Sin Fin-6° 173,513239------ 1,599.22 MXN
22500-632026Rueda Helicoidal26:16° 173,5---2694104172206258 2,774.62 MXN
22500-631034Sin Fin-5° 92,75130,636,1------ 1,599.22 MXN
22500-632034Rueda Helicoidal34:15° 92,75---3495,4104148178222 2,774.62 MXN
22500-531035Sin Fin-3° 512129,7833,78------ 1,599.22 MXN
22500-632048Rueda Helicoidal48:13° 512---4896,22104125150187 2,774.62 MXN
22500-531046Sin Fin-2° 471,5130,8533,85------ 1,599.22 MXN
22500-632063Rueda Helicoidal63:12° 471,5---6395,15101111133166 2,774.62 MXN
22500-651075Sin Fin-1° 591,25136,138,6------ 1,599.22 MXN
22500-632070Rueda Helicoidal70:11° 591,25---7089,997112135169 2,691.85 MXN
Mi norelemCorreo electrónicoContraseña
Cesta de la compra
Número de artículos: 0
Total: 0.00  MXN
mostrar
Pedido rápido / Comprobar disponibilidadPedir el artículo directamente o comprobar la disponibilidad.Mostrar
México
Mapa web Imprimir Recomendar Top
Copyright © 2025 norelem S.de RL. de. C.V. Todos los derechos reservados. Teléfono: +52 444 454 36 – 50