norelem emplea cookies con vistas a una configuración óptima, así como una mejora continua de la página Web. El hecho de continuar usando esta página Web significa que está aceptando al mismo tiempo la utilización de cookies. En nuestra Declaración de protección de datos encontrará más información sobre la temática de las cookies.Aceptación

Descripción del artículo/Imágenes del producto

Consultar/filtrar todos los artículos
DescripciónMaterial:Cuerpo 1.2842.
Bolas y hexágonos 1.4112.
Muelle de tracción 1.4310.
Versión:Cuerpo endurecido y bruñido.
Bolas y hexágono endurecido y pulido.
Datos técnicos:Precisión de repetición ±0,025
Precisión de concentricidad ±0,05
Aplicación:Para el posicionamiento centrado y la sujeción en agujeros ciegos. Manejo desde abajo, manual o automático, a través de sistema neumático o sistema hidráulico.Ventajas:- Centrado automático preciso.
- Sujeción sin deformaciones.
- Gran recorrido de ajuste.
- Escasa altura de montaje.
- Efecto de tracción hacia abajo.
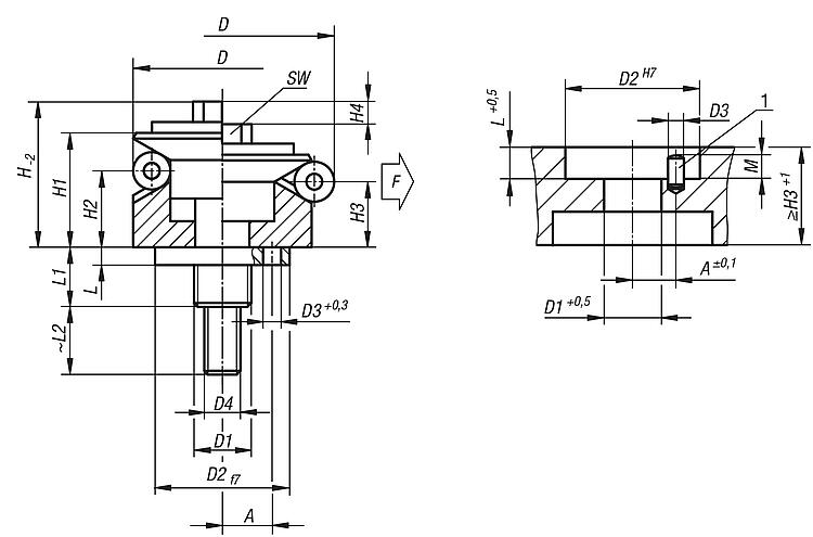
Indicación sobre el dibujo:
Forma A:
Con bola, adecuado para la sujeción en agujeros en los que se aceptan ligeras impresiones.
Forma B:
Con hexágono, para paredes perforadas con superficie delicada.

1) Ayuda de montaje:
Espiga para determinar la posición exacta de los segmentos de sujeción.
DescargarAquí figura información recopilada en formato PDF:

¿Está buscando datos CAD? Los encontrará directamente en la tabla de productos.
 Ficha de datos 03158 Bridas de centrado con bolas o cabeza hexagonal 263 kB

Planos (vista completa)

Bridas de centrado con bolas o cabeza hexagonal

Brida de centrado con bolas, forma A

Más información

Planos

Brida de centrado con bolas, forma A

Selección/filtro de artículos

ReferenciaFormaA

D
mín.
D
máx.
D1D2D3D4HH1H2H3H4LL1L2MSWØ de
bola
Número
de bolas
Fuerza de
sujeción
máx. kN
Par de
apriete
máx. Nm
CADAcc.PrecioPedir
03158-0101203A3,511,714,2M5101,5M312,8104,231,43,5111025,52,530,52 7,971.39 MXN
03158-0101503A4,514,518,5M6122M317,314,59,88,62,35,514,1122,55,5433,52 8,452.08 MXN
03158-0101904A5,518,522,5M8152,5M420,916,511,610,42,37,518,2143,574345 9,372.85 MXN
03158-0102305A722,526,5M10203M525,419,814,2132,3617,4153,58434,510 10,423.94 MXN
03158-0102705A726,530,5M10203M525,419,814,2132,3617,4153,58434,510 11,474.43 MXN
03158-0103106A930,538,5M12254M630,323,114,211,94,6721,9203,510834,517 12,525.81 MXN
03158-0103906A1138,546,5M12304M634,227,217,815,54,67,522,5204,510866,517 13,753.29 MXN
03158-0104706A1146,554,5M12304M634,227,21815,74,67,522,5206,510866,517 17,167.23 MXN
03158-0105508A1554,570,5M14x1,5455M849,940,623,719,19,3924,5326,513166843 18,306.22 MXN
03158-0107108A1770,586,5M16x1,5605M855,446,128,323,79,31029,4206,5131661043 19,664.04 MXN

Brida de centrado con tuerca hexagonal, forma B

Más información

Planos

Brida de centrado con tuerca hexagonal, forma B

Selección/filtro de artículos

ReferenciaFormaA

D
mín.
D
máx.
D1D2D3D4HH1H2H3H4LL1L2MKSWNúmero de
6 cantos
Fuerza de
sujeción
máx. kN
Par de
apriete
máx. Nm
CADAcc.PrecioPedir
03158-0201503B4,514,518,5M6122M317,314,59,88,61,45,514,1122,545,533,52 9,897.79 MXN
03158-0201904B5,518,522,5M8152,5M420,916,511,610,42,37,518,2143,547345 10,861.28 MXN
03158-0202305B722,526,5M10203M525,419,814,2132,3617,4153,54834,510 11,999.67 MXN
03158-0202705B726,530,5M10203M525,419,814,2132,3617,4153,54834,510 12,961.66 MXN
03158-0203106B930,538,5M12254M630,323,114,211,94,6721,9203,581064,517 14,059.11 MXN
03158-0203906B1138,546,5M12304M634,227,217,815,54,67,522,5204,581066,517 15,240.54 MXN
03158-0204706B1146,554,5M12304M634,227,21815,74,67,522,5206,581066,517 19,489.46 MXN
03158-0205508B1554,570,5M14455M849,940,623,719,19,3924,5326,516136843 20,496.29 MXN
03158-0207108B1770,586,5M16605M855,446,128,323,79,31029,4206,5161361043 21,808.65 MXN
03158-0208708B2586,5102,5M16605M1061,65130,225,79,31029,4256,51616612,579 23,868.40 MXN
Mi norelemCorreo electrónicoContraseña
Cesta de la compra
Número de artículos: 0
Total: 0.00  MXN
mostrar
Pedido rápido / Comprobar disponibilidadPedir el artículo directamente o comprobar la disponibilidad.Mostrar
México
Mapa web Imprimir Recomendar Top
Copyright © 2025 norelem S.de RL. de. C.V. Todos los derechos reservados. Teléfono: +52 444 454 36 – 50