|
|
|
03092Pernos de bloqueo de acero o acero inoxidable con vástago roscado |
Volver |
|
|
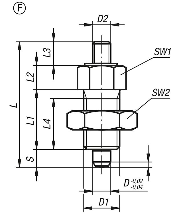
DescripciónDescripción del producto:Los pernos de bloqueo se aplican para impedir el cambio de la posición de bloqueo por fuerzas transversales. El perno solo puede colocarse en otra posición de bloqueo una vez que se haya desacoplado. En el tornillo de sujeción sobresaliente se pueden montar empuñaduras especiales. Además, ofrece un modo de accionamiento para el perno de bloqueo, p. ej. de forma automática (controlado por programa) con ayuda de un cilindro neumático, o permite un manejo a distancia a través de cables Bowden.Material:Versión:Versión de acero: Casquillo roscado bruñido. Clavija de bloqueo endurecida, rectificada y bruñida.
Versión de acero inoxidable: Casquillo roscado de acabado natural. Clavija de bloqueo endurecida y rectificada, con acabado natural. Clavija de bloqueo no endurecida, rectificada, acabado natural. Indicación sobre el dibujo:Forma E: con vástago roscado, sin contratuerca Forma F: con vástago roscado, con contratuerca Características especiales: DescargarAquí figura información recopilada en formato PDF:
¿Está buscando datos CAD? Los encontrará directamente en la tabla de productos.
|
Pernos de bloqueo de acero o acero inoxidable con vástago roscado, sin contratuerca |
Más información |
Selección/filtro de artículos |
|
| Referencia | Forma | Material del cuerpo de base | Superficie cuerpo de base | D | D1 | D2 | L | L1 | L2 | L3 | L4 | Carrera S | SW1 | F x 30° | Fuerza del muelle inicial F1 aprox. N | Fuerza del muelle final F2 aprox. N | CAD | Acc. | Precio | Pedir |
|---|
| 03092-1903 | E | acero | endurecido | 3 | M6x0,75 | M2 | 24 | 12 | 5 | 3,5 | 10 | 3,5 | 8 | 0,8 | 4,5 | 10 |  | | 220.93 MXN | | | 03092-1004 | E | acero | endurecido | 4 | M8x1 | M3 | 32 | 15 | 6 | 7 | 13 | 4 | 10 | 1 | 6 | 12 |  |  | 210.10 MXN | | | 03092-1105 | E | acero | endurecido | 5 | M10x1 | M4 | 37 | 17 | 7 | 8 | 15 | 5 | 13 | 1,3 | 5 | 12 |  |  | 200.17 MXN | | | 03092-1206 | E | acero | endurecido | 6 | M12x1,5 | M6 | 42 | 20 | 8 | 8 | 17 | 6 | 14 | 1,8 | 6 | 14 |  |  | 222.74 MXN | | | 03092-1308 | E | acero | endurecido | 8 | M16x1,5 | M8 | 56 | 26 | 10 | 12 | 23 | 8 | 19 | 2,3 | 15 | 35 |  |  | 287.76 MXN | | | 03092-1410 | E | acero | endurecido | 10 | M20x1,5 | M8 | 62 | 28 | 12 | 12 | 25 | 10 | 22 | 2,8 | 15 | 34 |  | | 412.97 MXN | | | 03092-1412 | E | acero | endurecido | 12 | M20x1,5 | M8 | 66 | 28 | 14 | 12 | 25 | 12 | 22 | 2,8 | 15 | 39 |  | | 453.61 MXN | | | 03092-1516 | E | acero | endurecido | 16 | M24x2 | M10 | 80 | 32 | 18 | 14 | 28 | 16 | 27 | 3,2 | 20 | 46 |  | | 644.14 MXN | | | 03092-01903 | E | acero inoxidable | endurecido | 3 | M6x0,75 | M2 | 24 | 12 | 5 | 3,5 | 10 | 3,5 | 8 | 0,8 | 4,5 | 10 |  | | 365.72 MXN | | | 03092-01004 | E | acero inoxidable | endurecido | 4 | M8x1 | M3 | 32 | 15 | 6 | 7 | 13 | 4 | 10 | 1 | 6 | 12 |  |  | 348.87 MXN | | | 03092-01105 | E | acero inoxidable | endurecido | 5 | M10x1 | M4 | 37 | 17 | 7 | 8 | 15 | 5 | 13 | 1,3 | 5 | 12 |  |  | 331.70 MXN | | | 03092-01206 | E | acero inoxidable | endurecido | 6 | M12x1,5 | M6 | 42 | 20 | 8 | 8 | 17 | 6 | 14 | 1,8 | 6 | 14 |  |  | 392.21 MXN | | | 03092-01308 | E | acero inoxidable | endurecido | 8 | M16x1,5 | M8 | 56 | 26 | 10 | 12 | 23 | 8 | 19 | 2,3 | 15 | 35 |  |  | 524.34 MXN | | | 03092-01410 | E | acero inoxidable | endurecido | 10 | M20x1,5 | M8 | 62 | 28 | 12 | 12 | 25 | 10 | 22 | 2,8 | 15 | 34 |  | | 826.85 MXN | | | 03092-01412 | E | acero inoxidable | endurecido | 12 | M20x1,5 | M8 | 66 | 28 | 14 | 12 | 25 | 12 | 22 | 2,8 | 15 | 39 |  | | 909.93 MXN | | | 03092-01516 | E | acero inoxidable | endurecido | 16 | M24x2 | M10 | 80 | 32 | 18 | 14 | 28 | 16 | 27 | 3,2 | 20 | 46 |  | | 1,377.68 MXN | | | 03092-11903 | E | acero inoxidable | no endurecido | 3 | M6x0,75 | M2 | 24 | 12 | 5 | 3,5 | 10 | 3,5 | 8 | 0,8 | 4,5 | 10 |  | | 350.36 MXN | | | 03092-11004 | E | acero inoxidable | no endurecido | 4 | M8x1 | M3 | 32 | 15 | 6 | 7 | 13 | 4 | 10 | 1 | 6 | 12 |  |  | 333.51 MXN | | | 03092-11105 | E | acero inoxidable | no endurecido | 5 | M10x1 | M4 | 37 | 17 | 7 | 8 | 15 | 5 | 13 | 1,3 | 5 | 12 |  |  | 317.25 MXN | | | 03092-11206 | E | acero inoxidable | no endurecido | 6 | M12x1,5 | M6 | 42 | 20 | 8 | 8 | 17 | 6 | 14 | 1,8 | 6 | 14 |  |  | 372.64 MXN | | | 03092-11308 | E | acero inoxidable | no endurecido | 8 | M16x1,5 | M8 | 56 | 26 | 10 | 12 | 23 | 8 | 19 | 2,3 | 15 | 35 |  |  | 499.06 MXN | | | 03092-11410 | E | acero inoxidable | no endurecido | 10 | M20x1,5 | M8 | 62 | 28 | 12 | 12 | 25 | 10 | 22 | 2,8 | 15 | 34 |  | | 785.61 MXN | | | 03092-11412 | E | acero inoxidable | no endurecido | 12 | M20x1,5 | M8 | 66 | 28 | 14 | 12 | 25 | 12 | 22 | 2,8 | 15 | 39 |  | | 863.58 MXN | | | 03092-11516 | E | acero inoxidable | no endurecido | 16 | M24x2 | M10 | 80 | 32 | 18 | 14 | 28 | 16 | 27 | 3,2 | 20 | 46 |  | | 1,309.66 MXN | |
|
Pernos de bloqueo de acero o acero inoxidable con vástago roscado y contratuerca |
Más información |
Selección/filtro de artículos |
|
| Referencia | Forma | Material del cuerpo de base | Superficie cuerpo de base | D | D1 | D2 | L | L1 | L2 | L3 | L4 | Carrera S | SW1 | SW2 | F x 30° | Fuerza del muelle inicial F1 aprox. N | Fuerza del muelle final F2 aprox. N | CAD | Acc. | Precio | Pedir |
|---|
| 03092-2903 | F | acero | endurecido | 3 | M6x0,75 | M2 | 24 | 12 | 5 | 3,5 | 10 | 3,5 | 8 | 10 | 0,8 | 4,5 | 10 |  | | 223.65 MXN | | | 03092-2004 | F | acero | endurecido | 4 | M8x1 | M3 | 32 | 15 | 6 | 7 | 13 | 4 | 10 | 13 | 1 | 6 | 12 |  |  | 213.11 MXN | | | 03092-2105 | F | acero | endurecido | 5 | M10x1 | M4 | 37 | 17 | 7 | 8 | 15 | 5 | 13 | 17 | 1,3 | 5 | 12 |  |  | 203.48 MXN | | | 03092-2206 | F | acero | endurecido | 6 | M12x1,5 | M6 | 42 | 20 | 8 | 8 | 17 | 6 | 14 | 19 | 1,8 | 6 | 14 |  |  | 226.06 MXN | | | 03092-2308 | F | acero | endurecido | 8 | M16x1,5 | M8 | 56 | 26 | 10 | 12 | 23 | 8 | 19 | 24 | 2,3 | 15 | 35 |  |  | 296.18 MXN | | | 03092-2410 | F | acero | endurecido | 10 | M20x1,5 | M8 | 62 | 28 | 12 | 12 | 25 | 10 | 22 | 30 | 2,8 | 15 | 34 |  | | 415.98 MXN | | | 03092-2412 | F | acero | endurecido | 12 | M20x1,5 | M8 | 66 | 28 | 14 | 12 | 25 | 12 | 22 | 30 | 2,8 | 15 | 39 |  | | 457.83 MXN | | | 03092-2516 | F | acero | endurecido | 16 | M24x2 | M10 | 80 | 32 | 18 | 14 | 28 | 16 | 27 | 36 | 3,2 | 20 | 46 |  | | 650.16 MXN | | | 03092-02903 | F | acero inoxidable | endurecido | 3 | M6x0,75 | M2 | 24 | 12 | 5 | 3,5 | 10 | 3,5 | 8 | 10 | 0,8 | 4,5 | 10 |  | | 391.61 MXN | | | 03092-02004 | F | acero inoxidable | endurecido | 4 | M8x1 | M3 | 32 | 15 | 6 | 7 | 13 | 4 | 10 | 13 | 1 | 6 | 12 |  |  | 372.34 MXN | | | 03092-02105 | F | acero inoxidable | endurecido | 5 | M10x1 | M4 | 37 | 17 | 7 | 8 | 15 | 5 | 13 | 17 | 1,3 | 5 | 12 |  |  | 355.49 MXN | | | 03092-02206 | F | acero inoxidable | endurecido | 6 | M12x1,5 | M6 | 42 | 20 | 8 | 8 | 17 | 6 | 14 | 19 | 1,8 | 6 | 14 |  |  | 419.59 MXN | | | 03092-02308 | F | acero inoxidable | endurecido | 8 | M16x1,5 | M8 | 56 | 26 | 10 | 12 | 23 | 8 | 19 | 24 | 2,3 | 15 | 35 |  |  | 563.18 MXN | | | 03092-02410 | F | acero inoxidable | endurecido | 10 | M20x1,5 | M8 | 62 | 28 | 12 | 12 | 25 | 10 | 22 | 30 | 2,8 | 15 | 34 |  | | 844.31 MXN | | | 03092-02412 | F | acero inoxidable | endurecido | 12 | M20x1,5 | M8 | 66 | 28 | 14 | 12 | 25 | 12 | 22 | 30 | 2,8 | 15 | 39 |  | | 928.59 MXN | | | 03092-02516 | F | acero inoxidable | endurecido | 16 | M24x2 | M10 | 80 | 32 | 18 | 14 | 28 | 16 | 27 | 36 | 3,2 | 20 | 46 |  | | 1,406.87 MXN | | | 03092-12903 | F | acero inoxidable | no endurecido | 3 | M6x0,75 | M2 | 24 | 12 | 5 | 3,5 | 10 | 3,5 | 8 | 10 | 0,8 | 4,5 | 10 |  | | 372.34 MXN | | | 03092-12004 | F | acero inoxidable | no endurecido | 4 | M8x1 | M3 | 32 | 15 | 6 | 7 | 13 | 4 | 10 | 13 | 1 | 6 | 12 |  |  | 354.89 MXN | | | 03092-12105 | F | acero inoxidable | no endurecido | 5 | M10x1 | M4 | 37 | 17 | 7 | 8 | 15 | 5 | 13 | 17 | 1,3 | 5 | 12 |  |  | 338.03 MXN | | | 03092-12206 | F | acero inoxidable | no endurecido | 6 | M12x1,5 | M6 | 42 | 20 | 8 | 8 | 17 | 6 | 14 | 19 | 1,8 | 6 | 14 |  |  | 398.52 MXN | | | 03092-12308 | F | acero inoxidable | no endurecido | 8 | M16x1,5 | M8 | 56 | 26 | 10 | 12 | 23 | 8 | 19 | 24 | 2,3 | 15 | 35 |  |  | 535.18 MXN | | | 03092-12410 | F | acero inoxidable | no endurecido | 10 | M20x1,5 | M8 | 62 | 28 | 12 | 12 | 25 | 10 | 22 | 30 | 2,8 | 15 | 34 |  | | 804.87 MXN | | | 03092-12412 | F | acero inoxidable | no endurecido | 12 | M20x1,5 | M8 | 66 | 28 | 14 | 12 | 25 | 12 | 22 | 30 | 2,8 | 15 | 39 |  | | 885.85 MXN | | | 03092-12516 | F | acero inoxidable | no endurecido | 16 | M24x2 | M10 | 80 | 32 | 18 | 14 | 28 | 16 | 27 | 36 | 3,2 | 20 | 46 |  | | 1,342.17 MXN | |
|
Otros artículos de esta categoría |
|
| Pedido rápido / Comprobar disponibilidadPedir el artículo directamente o comprobar la disponibilidad.Mostrar |
|