norelem emplea cookies con vistas a una configuración óptima, así como una mejora continua de la página Web. El hecho de continuar usando esta página Web significa que está aceptando al mismo tiempo la utilización de cookies. En nuestra Declaración de protección de datos encontrará más información sobre la temática de las cookies.Aceptación
Palancas de sujeción plana con rosca exterior
06400

Palancas de sujeción plana con rosca exterior

Volver

Descripción del artículo/Imágenes del producto

Consultar/filtrar todos los artículos
DescripciónMaterial:Partes de acero con clase de resistencia 5.8.
Botón esférico de plástico, negro.
Versión:Bruñido.A petición:Otras roscas exteriores, longitudes de tornillo y modelos especiales.
A petición, medidas "H1" y "A" disponibles en otras longitudes con un recargo.
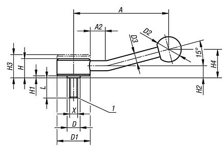
Indicación sobre el dibujo:
1) Extremo achaflanado DIN EN ISO 4753
Características especiales:
RoHS
DescargarAquí figura información recopilada en formato PDF:

¿Está buscando datos CAD? Los encontrará directamente en la tabla de productos.
 Ficha de datos 06400 Palancas de sujeción plana con rosca exterior 236 kB

Planos (vista completa)

Palancas de sujeción plana con rosca exterior

Palanca de sujeción plana con rosca exterior, 0 grados

Más información

Planos

Palanca de sujeción plana con rosca exterior, 0 grados

Selección/filtro de artículos

ReferenciaFormaTamañoXLADD1D2D3HH1H2H3Número
de
dientes
CADAcc.PrecioPedir
06400-1081X151M81510213,5332510192122320 387.00 MXN
06400-1081X201M82010213,5332510192122320 387.00 MXN
06400-1081X251M82510213,5332510192122320 387.00 MXN
06400-1081X301M83010213,5332510192122320 387.00 MXN
06400-1081X401M84010213,5332510192122320 405.84 MXN
06400-1081X501M85010213,5332510192122320 405.84 MXN
06400-1081X601M86010213,5332510192122320 405.84 MXN
06400-1101X151M101510213,5332510192122320 387.00 MXN
06400-1101X201M102010213,5332510192122320 387.00 MXN
06400-1101X251M102510213,5332510192122320 387.00 MXN
06400-1101X301M103010213,5332510192122320 387.00 MXN
06400-1101X401M104010213,5332510192122320 405.84 MXN
06400-1101X501M105010213,5332510192122320 405.84 MXN
06400-1101X601M106010213,5332510192122320 405.84 MXN
06400-2101X202M10201311941301222213,52624 478.85 MXN
06400-2101X252M10251311941301222213,52624 478.85 MXN
06400-2101X302M10301311941301222213,52624 478.85 MXN
06400-2101X402M10401311941301222213,52624 500.78 MXN
06400-2101X502M10501311941301222213,52624 500.78 MXN
06400-2101X602M10601311941301222213,52624 500.78 MXN
06400-2121X202M12201311941301222213,52624 478.85 MXN
06400-2121X252M12251311941301222213,52624 478.85 MXN
06400-2121X302M12301311941301222213,52624 478.85 MXN
06400-2121X402M12401311941301222213,52624 500.78 MXN
06400-2121X502M12501311941301222213,52624 500.78 MXN
06400-2121X602M12601311941301222213,52624 500.78 MXN
06400-3121X203M122014823453714282173326 578.18 MXN
06400-3121X253M122514823453714282173326 578.18 MXN
06400-3121X303M123014823453714282173326 578.18 MXN
06400-3121X403M124014823453714282173326 598.82 MXN
06400-3121X503M125014823453714282173326 598.82 MXN
06400-3121X603M126014823453714282173326 598.82 MXN
06400-3161X203M162014823453714282173326 578.18 MXN
06400-3161X253M162514823453714282173326 578.18 MXN
06400-3161X303M163014823453714282173326 578.18 MXN
06400-3161X403M164014823453714282173326 598.82 MXN
06400-3161X503M165014823453714282173326 598.82 MXN
06400-3161X603M166014823453714282173326 598.82 MXN

Palanca de sujeción plana con rosca exterior, 15 grados

Más información

Planos

Palanca de sujeción plana con rosca exterior, 15 grados

Selección/filtro de artículos

ReferenciaFormaXLA=Longitud de empuñaduraA2DD1D2D3HH1H2H3H4Número
de
dientes
CADAcc.PrecioPedir
06400-1082X1515°M8151001513,533251019212232920 431.64 MXN
06400-1082X2015°M8201001513,533251019212232920 431.64 MXN
06400-1082X2515°M8251001513,533251019212232920 431.64 MXN
06400-1082X3015°M8301001513,533251019212232920 431.64 MXN
06400-1082X4015°M8401001513,533251019212232920 453.31 MXN
06400-1082X5015°M8501001513,533251019212232920 453.31 MXN
06400-1082X6015°M8601001513,533251019212232920 453.31 MXN
06400-1102X1515°M10151001513,533251019212232920 431.64 MXN
06400-1102X2015°M10201001513,533251019212232920 431.64 MXN
06400-1102X2515°M10251001513,533251019212232920 431.64 MXN
06400-1102X3015°M10301001513,533251019212232920 431.64 MXN
06400-1102X4015°M10401001513,533251019212232920 453.31 MXN
06400-1102X5015°M10501001513,533251019212232920 453.31 MXN
06400-1102X6015°M10601001513,533251019212232920 453.31 MXN
06400-2102X2015°M1020127151941301222213,5263824 526.58 MXN
06400-2102X2515°M1025127151941301222213,5263824 526.58 MXN
06400-2102X3015°M1030127151941301222213,5263824 526.58 MXN
06400-2102X4015°M1040127151941301222213,5263824 552.12 MXN
06400-2102X5015°M1050127151941301222213,5263824 552.12 MXN
06400-2102X6015°M1060127151941301222213,5263824 552.12 MXN
06400-2122X2015°M1220127151941301222213,5263824 526.58 MXN
06400-2122X2515°M1225127151941301222213,5263824 526.58 MXN
06400-2122X3015°M1230127151941301222213,5263824 526.58 MXN
06400-2122X4015°M1240127151941301222213,5263824 552.12 MXN
06400-2122X5015°M1250127151941301222213,5263824 552.12 MXN
06400-2122X6015°M1260127151941301222213,5263824 552.12 MXN
06400-3122X2015°M1220145152345371428217334826 629.27 MXN
06400-3122X2515°M1225145152345371428217334826 629.27 MXN
06400-3122X3015°M1230145152345371428217334826 629.27 MXN
06400-3122X4015°M1240145152345371428217334826 654.04 MXN
06400-3122X5015°M1250145152345371428217334826 654.04 MXN
06400-3122X6015°M1260145152345371428217334826 654.04 MXN
06400-3162X2015°M1620145152345371428217334826 629.27 MXN
06400-3162X2515°M1625145152345371428217334826 629.27 MXN
06400-3162X3015°M1630145152345371428217334826 629.27 MXN
06400-3162X4015°M1640145152345371428217334826 654.04 MXN
06400-3162X5015°M1650145152345371428217334826 654.04 MXN
06400-3162X6015°M1660145152345371428217334826 654.04 MXN
Mi norelemCorreo electrónicoContraseña
Cesta de la compra
Número de artículos: 0
Total: 0.00  MXN
mostrar
Pedido rápido / Comprobar disponibilidadPedir el artículo directamente o comprobar la disponibilidad.Mostrar
México
Mapa web Imprimir Recomendar Top
Copyright © 2025 norelem S.de RL. de. C.V. Todos los derechos reservados. Teléfono: +52 444 454 36 – 50